kaiyun官方注册
您所在的位置:首页 > 电源技术 > 设计应用 > 针对车载音频电源的多相升压解决方案
针对车载音频电源的多相升压解决方案
Brian King Dave Parks
摘要: 车载音频放大器通常使用升压转换器来生成 18 V~28 V(或更高)的电池输出电压。在这些 100W 及 100W 以上的高功耗应用中,需要大升压电感、多个级别的输出电容器、并行 MOSFET 及二极管。将功率级分成多个并行相位减少了许多功率组件的应力,加速了对负载变化(如那些重低音音符)的响应,并提高了系统效率。
Abstract:
Key words :

车载音频放大器通常使用升压转换器来生成 18 V~28 V(或更高)的电池输出电压。在这些 100W 及 100W 以上的高功耗应用中,需要大升压电感、多个级别的输出电容器、并行 MOSFET 及二极管。将功率级分成多个并行相位减少了许多功率组件的应力,加速了对负载变化(如那些重低音音符)的响应,并提高了系统效率。

找到一款能够用于 2 相升压转换器的脉宽调制控制器 (PWM) 相对较容易。大多数双通道交错式离线控制器或推挽式控制器均可用于直接异相地驱动两个升压 MOSFET。但是,在 4 相解决方案中,控制器的选择范围更加有限。幸运的是,可以轻松地对一些多相降压控制器进行改装,以在 4 相升压转换器中使用。

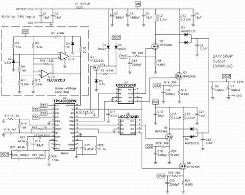
图 1 显示了一款使用了 TI 的TPS40090 多相降压控制器的 4 相、300W 升压电源,该转换器设计旨在处理一般会出现在音频应用中的 500W 峰值猝发。通常,在多相降压结构中,该控制器通过感应输出电感中的平均电流来平衡每一相位的电力。相反,在一个多相升压结构中,对电流的感应是在安装于每一个 FET 源极上的电阻器中进行的。通过在每一个 FET 中平衡峰值电流,多相控制器在所有升压相位中均匀地分配电力。来自控制器的栅极驱动信号为逻辑电平,因此每一个相位都要求具有一个 MOSFET 驱动器。本设计中,可以使用一个双通道 MOSFET 驱动器(例如:UCC27324)来减少组件的数量。

针对车载音频放大器的 300W 、4 相升压转换器

图1  针对车载音频放大器的 300W 、4 相升压转换器

通过对每一个相位施加一个流限,多相控制器则可以保护控制器免于受到过载条件的损害。音频应用具有比平均输出功率要高很多的短暂峰值功率需求。必须将流限设置得足够高,以满足这些峰值功率要求。外部欠压锁定 (UVLO) 电路还提供了另一层级的保护,其可防止系统在低电池电压状态下运行。当电池电压下降时,升压电源将试图提供尽量多的输入电流,这样会导致电池电量耗尽时电池电压的急剧下降。这种情况会使电池受到损坏,最坏的情况甚至会使电池报废。简单且低成本的 UVLO 电路由一个参考电路、一个双通道比较器和若干个电阻组成。

本设计中,四个相位均以 500 kHz 进行切换,并且分别为 90 度同步。图2 显示了所有四个相位的漏-源电压波形。来自每一个相位的纹波电流在输入端和输出端进行求和,同时它们在输入端和输出端部分地互相抵消。这就同时减少了输入和输出电容器的 AC 纹波电流。另外,综合纹波电流为 2 MHz 时,相位频率则是单个相位频率的四倍。由于更低的纹波电流以及更高的频率,与单相解决方案相比,输入和输出电容量在多相解决方案中要小得多。更高效的开关频率还允许转换器更为快速地对负载电流的变化做出响应。

将功率级分成多个相位降低了各个功率组件的应力。更低的电流和额定功率提供了一个更宽的现货供应电感、FET 和二极管选择范围。与单相解决方案相比,其功率损耗更低且分布区域更广,从而简化了散热管理。在驱动 300W 负载的情况下,这种 4 相位设计拥有 94% 的效率,从而实现了低于20W的损耗。

寻找一款可以驱动两个以上相位的升压控制器会带来一定的设计挑战。TPS40090 多相升压转换器非常适用于高功耗音频应用。

2MHz 高效纹波电流时交错 4 相升压解决方案的运行结果

图2  2MHz 高效纹波电流时交错 4 相升压解决方案的运行结果

作者简介:

Brian King 现任 TI 应用工程师兼科技委员会成员。Brian 毕业于美国阿肯色大学 (University of Arkansas),获电子工程理学士学位和电子工程硕士学位,现为 IEEE 成员。

Dave Parks(产品工程师 (PE))现任 TI 应用工程师兼科技委员会成员。他毕业于卡内基美隆大学(Carnegie Mellon University, Pittsburgh, Pennsylvania),获电子工程理学士学位。

此内容为AET网站原创,未经授权禁止转载。
Baidu
map