引言
在油气井" style="color: blue; text-decoration: underline" title="油气井">油气井出砂检测过程中,采用压电式振动传感器" style="color: blue; text-decoration: underline" title="传感器">传感器检测砂粒与管壁碰撞而产生的声波信号。由于砂粒撞击管壁产生的信号很微弱,并且出砂信号的频率较高,一般电荷放大器" style="color: blue; text-decoration: underline" title="电荷放大器">电荷放大器的频响不满足对出砂信号的测量。因此针对这一问题,研究设计了符合出砂信号检测的前置放大电路,主要介绍了电荷放大器和滤波电路的设计。其中包括对电荷放大器中所采用的集成运放、电阻、电容的选取进行了分析,以确定合适的参数。通过电路仿真软件分析了这些器件的参数选取的不同对电荷放大器测量结果的影响。同时对滤波电路也进行了仿真分析,其结果与设计一致。最后设计出了满足出砂信号检测的电荷放大器和滤波电路。经过出砂试验测试取得了较好的效果。
出砂预处理电路的总体设计
出砂预处理放大电路的总体设计框图如图1所示,整个预处理电路主要由电荷放大器、适调放大电路,滤波电路、输出放大电路等组成。
各部分的作用如下:
![]()
图1 前置放大电路框图
电荷放大器的作用是把压电传感器高内阻的电荷源转换为传感器低内阻的电压源,以实现阻抗变换,并使其输出电压与输入电荷成正比。
适调放大电路是为了适应与不同灵敏度的压电加速度传感器配接而使其输出电压归一化的电路,即对应于单位加速度,不同传感器在电荷放大器输出端对应输出相同的电压。
由于传感器输出的出砂信号在一定的频率范围内变化,且该信号中夹杂着其它的干扰信号,为了满足检测的要求,所以要通过一个带通滤波器滤除高频和低频干扰信号,以此来获取较好的出砂信号。
输出放大电路是为了使放大器输出适宜的电流、电压信号,以驱动后级电路工作。
电荷放大器的设计
电荷放大器的设计原理
电荷放大器电路如图2所示。它由一个反馈电容Cf和高增益运算放大器构成。由于运算放大器输入阻抗极高,放大器输入端几乎没有分流。只有这样传感器的信号电荷才不会通过输入电路泄漏造成大的测量误差。当加到传感器上的力变化时,引起传感器输出电荷Q的改变。

图2 电荷放大器原理图
此电荷放大器输出电压为:
![]()
电荷放大器的频率范围由下面两式确定:
![]()
其中,R1为电缆电阻,C为传感器等效电容,为反馈电容,R2为反馈电阻用于Cf的放电。(注:电荷放大器的上限截止频率还与电荷放大器采用的运算放大器有关。)
电荷放大器中集成运放的选择
电荷放大器是用于放大来自压电器件的电荷信号的放大电路。这类放大电路的信号源内阻抗极高,同时其电荷信号又很微弱,信号源形成的电流仅为pA级,因而要求电荷放大器具有极高的输入电阻和极低的偏置电流,否则当放大器的偏置电流与信号电流相近时,信号可能被偏置电流所淹没,而不能实现正常放大。因此对电荷放大器中采用的运算放大器的合理选择就显得特别重要。要求运算放大器必须是高阻输入运算放大器,且开环增益要高,失调电压和电流要小,频带要宽。
根据上述集成运放的选择要求,设计时选用了美国ADI公司的AD823" style="color: blue; text-decoration: underline" title="AD823">AD823芯片和Intersil公司的CA3140芯片进行了参数对比,并进行了相关的仿真,验证了选用AD823是比较合适的。运放AD823和CA3140的主要参数如表1所示。
表1运放参数列表

反馈电容Cf的选取
电荷放大器输出灵敏度的调节通常通过改变电荷转换电路的反馈电容Cf实现,反馈电容的值不能选得太小,否则测试系统中使用的低噪声同轴电缆的寄生电容将影响输出灵敏度,且有积分漂移和泄露现象;反馈电容的值也不能选的太大,否则容易引起自激现象。而且Cf的精度直接影响测量的精度,所以反馈电容精度要高。一般要求精度在0.5% ~1% ,我们选择的是聚苯乙烯电容。为了保证一定的增益,Cf 一般取100pF-10000pF。考虑以上因素及实际情况选取Cf为100PF。
电阻R1与R2的选择
由于电荷放大器的频率上限主要决定于运算放大器频响和和输入电缆的影响,若电缆太长,杂散电容增加,同时导线的自身电阻也会增加,这些参数都影响放大器的高频特性。本项目中选用的传感器本身的等效电容为10PF,振动频率为100kHz-1MHz,可计算出R1约为16KΩ。
电荷放大器的频率下限由反馈电容Cf和Rf反馈电阻决定。由于在电荷放大器中采用电容负反馈,对直流工作点相当于开路,对电缆噪声比较敏感,故放大器零漂较大而产生误差,为减小零漂,使放大器工作稳定, 选阻值非常高的电阻,以提供直流反馈。如果要制作频带响应非常好的电荷放大器,则反馈电阻必须在1GΩ以上。考虑到以上因素及实际情况选取R2为1GΩ。
滤波电路的设计
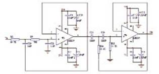
带通滤波器如图3所示,它由二阶低通滤波电路和二阶高通滤波电路组成,其频带范围为100kHz-1MHz。根据有源滤波电路的快速设计理论,很容易得到高低通滤波器的各个参数。

图3 带通滤波电路
低通滤波器的带内增益为1,截止频率为1MHz,低通滤波器的各个参数为:
C10=10pF,R8=14.5K ,R9=50K ,C11=3.3PF
高通滤波器的带内增益为1,截止频率为100kHz,高通滤波器的各个参数为:
C13=100PF,C14=100PF,R10=11.3K ,R11=22.5K
该电路中的C4、C5、C12、C15、C20、C21、C23、C24是为减小正负电源对运放的影响,减小引入运放的高、低频干扰。
测试仿真
电荷放大器的仿真测试
采用Mutilsim10电子电路仿真软件对电荷放大器电路进行仿真测试。而在Multisim10仿真软件中,没有直接的电荷源信号,而考虑到压电传感器输出的电荷信号,在形式上是以电流的形式输出的。在电路分析时可以把传感器看作一个电流源,其输出电流在其电荷收集时间较短时可以看做是一种持续时间极短的电流冲击脉冲。所以在仿真中使用脉冲电流源来近似代替电荷源信号。电荷放大器仿真电路如图4所示。

图4 电荷放大器的仿真测试图
为了验证运放的参数、反馈电阻、反馈电容对电荷放大器输出的影响,分别做了电路仿真测试试验。
在电路其它测试参数不变的条件下,对 进行参数扫描,让 从100pF到1000pF以步长100pF进行参数,从图5扫描的结果可以看出,反馈电容越小,其输出电压越大。与理论分析一致。

图5 反馈电容的扫描波形

图6 反馈电阻的扫描波形
同理让Rf从1G到10G以步长1G进行参数扫描,从图6扫描结果可以看出反馈电阻越大,其输出电压越大,与理论分析反馈电阻越大,反馈电容放电越慢,输出电压越大相一致。
为了验证所选集成运放参数对电荷放大器测量结果的影响,分别对由集成运放AD823和CA3140组成的电荷放大器在输入电荷变换的情况下进行了测试。其测试结果如表2、3所示。
表2 CA3140电荷放大电路测试结果

表3 AD823电荷放大电路测试结果

从表2可以看出该电荷放大器的输入信号电流大于30PA时,才能实现正常的放大。当偏置电流与输入信号电流相近时,输入信号被偏置电流所淹没不能实现正常的放大,因此测量误差较大。从表3可以看出:在输入信号电流为5pA时,该电荷放大器仍然能实现正常的放大,所以测量误差很小。同时从表2、3中还可以看出:在相同电荷源的作用下,AD823输出的电压大,具有较强的电荷转换能力。因此,根据测试结果,选择运放AD823作为电荷转换级的运放是比较合适的。
通过仿真输出波形,可以形象的看出不同电路参数对输出电压幅度的影响,因此适当的调节元件参数可以使电荷灵敏度更佳。
滤波电路的仿真
对图3所示的滤波器电路利用Multisim10软件进行了仿真,采用软件中的信号电压源作为该电路的测试信号源。为了验证该滤波电路的滤波特性,对其在输入信号幅值相同,频率不同的情况进行了测试。测试结果如表3所示。
从表4可以看出:当输入信号频率在100kHz-1MHz范围内,输出信号的幅度较大,当输入信号频率在100kHz-1MHz之外,输出信号衰减的较大,从而能很好的抑制掉带外的干扰信号。因此该电路满足设计要求。
试验结果
图7所示为滤波电路输出的出砂信号,该信号是由砂粒撞击出油管线所产生的冲击或瞬态振动信号。由于出砂检测装备的机械传动引起的振动和大量的其它随机信号的存在,使得出砂信号被严重“污染”。因此为了提高该信号的信噪比,提取信号的有效特征信息,该信号还需要进行进一步的数字滤波处理。

图7 滤波后的出砂信号波形
结论
文中给出了适合砂信号预处理的电路。提出采用集成芯片AD823实现电荷放大器电路,解决了常用电荷放大器测量带宽低的问题。给出了运放选取的原则,以及确定了电路中的主要器件和参数,通过电路的测试与仿真,表明测试结果与设计指标一致。而在出砂信号检测系统中的应用,表明了电路性能良好,但是该电路输出信号还存在一定的不足,噪声信号还是比较大。后续工作要做的是对适调滤波电路再进行处理,进一步降低噪声信号,以便更好的满足对出砂信号检测要求。
