引言
在电子电路中,寄生电容可谓无处不在。FET 栅极、布线、地和电源平面都会导致电容底线的增加。当高速电路中的电容性负载变得很重时,谨慎仔细的运算放大器选择对于优化转换速率、电流输出能力、功耗和反馈环路稳定性而言极为重要。
苛刻的电路要求
例如,假设由一个 100MHz、2VP-P 正弦波信号来驱动一个 350pF 的电容性负载。在这种情况下,所需的无失真最小转换速率为:
SRMIN = 2πfVPK
SRMIN = 2π (100MHz) (1V) ≈ 630 V
转换速率设定了最大输出电流 —– 放大器正在给一个电容器充电,因此,最大输出电流将出现在最大转换速率条件下。
I = C dV
I = (350pF) 630 V ≈ 220mA
最大功耗是一项重要的考虑因素。对于一个采用 ±5V 工作电源的运算放大器,假设电容性负载在 0V 条件下起动并以最大电流进行充电,则峰值功率为:
P = IV
P = (220mA) (5V) ≈ 1.1W
当采用一个具有 135°C/W 热阻的封装时,这种非常连续的功率将导致芯片温度上升 148°C。如果环境温度为 85°C,则将使芯片温度达到足以熔化封装的 233°C!
为了使 CLOAD 与放大器隔离,设计方案可以采用一个串联电阻器 RS。当电阻器或电容性负载变得非常大的时候,这种方法最终将限制带宽。由于该 RC 时间常数所造成的带宽缩减有可能对性能产生限制。当采用电流反馈放大器时,增大反馈电阻器 RF 是一种用于抑制峰化的替代补偿方法。
纤巧型电流反馈放大器
对于上述的高速、大电容性负载实例,400MHz 电流反馈放大器系列 LT®1395/LT1396/LT1397 肯定可以满足转换速率要求。LT1395/LT1396/LT1397 能够迅速地处理大信号,并提供 80mA 的最小保证输出电流。不过,对于上例来说,该放大器系列达不到 220mA 的电流要求。在这种场合,虽然一个放大器或许不够,但 4 个肯定足够了。把这些放大器并联起来将能够满足电流要求,同时维持安全的功耗和稳定性。
LT1397 四通道放大器专为在保持上佳热特性时推动大电流负载而设计。纤巧型 4mm x 3mm DFN 封装的铜质下腹部把热阻降至 43°C/W,就上面所举的例子来说,芯片温度将仅会上升至比环境温度高 47°C 的水平。
元件的选择和测试
无需组装完整的并联配置,可以构建一个单放大器测试电路,用于检查负载电容除以所采用放大器数目的结果 (CLOAD/4)。
剩下的工作便是选择反馈电阻器 (RF) 和串联电阻器 (RS) 的合适阻值,以最大限度地增加 -3dB 带宽,并充分地实现频率响应中峰化值的最小化。不管是 RF 还是 RS ,较小的阻值都将导致带宽和峰化的增加。RF 具有一个约 255Ω 的实际下限。当负载电容增加时,RF 和/或 RS 的阻值必须增大,以维持稳定性。
图 2 示出了采用图 1 所示的四放大器电路以及不同的 RF/RS 组合和 350pF 总负载电容时的测量结果。测量是在增益等于 1 的条件下进行,因此未采用 RG。

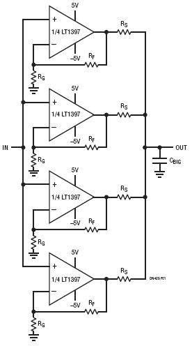
图 1:采用全部 4 个放大器 (LT1397) 来驱动大电容性负载
驱动 350pF 负载电容的合适 RF 和 RS" border="0" height="217" hspace="0" src="//www.ninimall.com/files/images/20100810/acfb5dde-a033-4a5f-9365-90ebbeeb0d7c.jpg" width="252" />
图 2:选择用于驱动 350pF 负载电容的合适 RF 和 RS (当并联 4 个 LT1397 放大器)
四放大器电路拓扑结构相比于单放大器的效力优势可从图 3 看出。为了显示一个更具代表性的效果,我们把负载电容增至原来的 3 倍 (1000pF)。四放大器并联电路能够在不到 10ns 的时间里把 4V 电压转换至 1000pF 的负载电容中。这对应于一个 400mA 的转换输出电流。单放大器结构的电流限值约为 140mA,从而降低了至该大电容性负载的转换速率。对于单放大器配置,相同的 4V 转换需要 28ns 的时间,这几乎是四放大器配置的三倍。

图 3:当驱动一个 1000pF 电容性负载时,四放大器 配置的速度高于单放大器配置。单放大器配置的响应 时间比四放大器配置慢了近三倍。
结论
应始终考虑采用在一个纤巧的功率增强型封装中的全部可用放大器,以提供快速转换重电容性负载所需的驱动能力。还应考虑使用电流反馈放大器 (例如:LT1397),以简化非常宽带宽电路的控制。
