稳压芯片详谈(二),7805稳压芯片多方位解析
2019-11-28
来源:21ic中国电子网
稳压芯片是当前的重要芯片之一,小编曾在前文为大家分析稳压芯片的市场前景。本文中,将为大家带来一款特定的稳压芯片——7805稳压芯片。如果你对这款稳压芯片存在一定兴趣,不妨继续往下阅读正文哦。
一、7805稳压芯片介绍
7805是我们最常用到的稳压芯片了,他的使用方便,用很简单的电路即可以输入一个直流稳压电源,他的输出电压恰好为5v,刚好是51系列单片机运行所需的电压,他有很多的系列如ka7805,ads7805,cw7805等,性能有微小的差别,用的最多的还是lm7805。
7805结构组成是用78/79系列三端稳压IC来组成稳压电源所需的外围元件极少,7805三端稳压集成电路电路内部还有过流、过热及调整管的保护电路,使用起来可靠、方便,而且价格便宜。该系列集成稳压IC型号中的78或79后面的数字代表该三端集成稳压电路的输出电压,如7806表示输出电压为正6V,7909表示输出电压为负9V。
因为三端固定集成稳压电路的使用方便,电子制作中经常采用。在实际应用中,应在三端集成稳压电路上安装足够大的散热器(当然小功率的条件下不用)。当稳压管温度过高时,稳压性能将变差,甚至损坏。当制作中需要一个能输出1.5A以上电流的稳压电源,通常采用几块三端稳压电路并联起来,使其最大输出电流为N个1.5A,但应用时需注意:并联使用的集成稳压电路应采用同一厂家、同一批号的产品,以保证参数的一致。
另外在输出电流上留有一定的余量,以避免个别集成稳压电路失效时导致其他电路的连锁烧毁。在78 ** 、79 ** 系列三端稳压器中最常应用的是TO-220 和TO-202 两种封装。这两种封装的图形以及引脚序号、引脚功能如附图所示。
从正面看①②③引脚从左向右按顺序标注,接入电路时①脚电压高于②脚,③脚为输出位。如对于78**正压系列,①脚高电位,②脚接地,③脚为输出位;而对于79**负压系列,①脚接地,②脚接负电压,③脚为输出位。如附图所示。此外,还应注意,散热片总是和最低电位的第②脚相连。这样在78**系列中,散热片和②脚(地)连接,而在79**系列中,散热片却和②脚(输入端)连接。

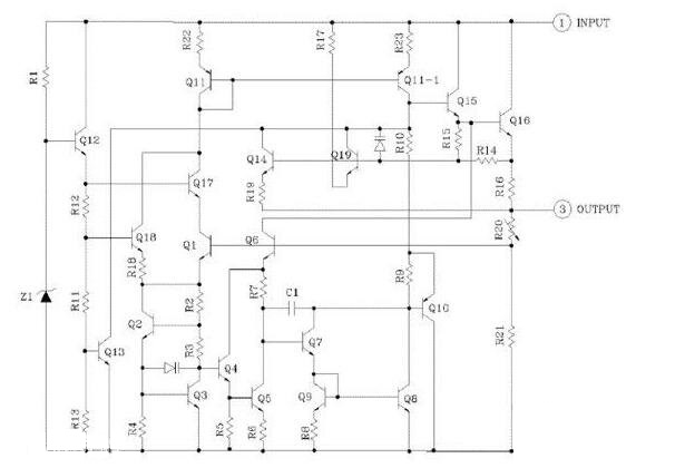
二、7805内部电路
7805三端稳压IC内部电路具有过压保护、过流保护、过热保护功能,这使它的性能很稳定。能够实现1A以上的输出电流。器件具有良好的温度系数,因此产品的应用范围很广泛。可以运用本地调节来消除噪声影响,解决了与单点调节相关的分散问题,输出电压误差精度分为±3%和±5%。

三、7805应用电路
7805典型应用电路图:(图中标识错误2脚接地3脚输出)78XX系列集成稳压器的典型应用电路如下图所示,这是一个输出正5V直流电压的稳压电源电路。IC采用集成稳压器7805,C1、C2分别为输入端和输出端滤波电容,RL为负载电阻。当输出电流较大时,7805应配上散热板。

下图为提高输出电压的应用电路。稳压二极管VD1串接在78XX稳压器2脚与地之间,可使输出电压Uo得到一定的提高,输出电压Uo为78XX稳压器输出电 压与稳压二极管VC1稳压值之和。VD2是输出保护二极管,一旦输出电压低于VD1稳压值时,VD2导通,将输出电流旁路,保护7800稳压器输出级不被7905典型应用电路图损坏。
下图为输出电压可在一定范围内调节的应用电路。由于R1、RP电阻网络的作用,使得输出电压被提高,提高的幅度取决于RP与R1的比值。调节电位器RP,即 可一定范围内调节输出电压。当RP=0时,输出电压Uo等于78XX稳压器输出电压;当RP逐步增大时,Uo也随之逐步提高。下图为扩大输出电流的应用电路。VT2为外接扩流率管,VT1为推动管,二者为达林顿连接。R1为偏置电阻。该电路最大输出电流取决ov于VT2的参数。


以上便是小编此次带来的“稳压芯片”的相关内容,通过本文,希望大家对7805稳压芯片具备基本了解。如果大家欲了解更多有关这款稳压芯片的具体内容,不妨自行百度或者关注小编后期带来的文章哦。
