稳压芯片详谈(三),多款7805稳压芯片区别+ LM2596稳压芯片介绍
2019-11-28
来源:21ic中国电子网
稳压芯片是常用电子器件之一,其中7805稳压芯片最为常用。目前7805稳压芯片具有三种类别L7805、cw7805和LM7805,那么这三款稳压芯片之间存在什么区别呢?该问题将在本文中得以解决。此外,本文还将介绍LM2596稳压芯片的基本特性和应用,一起来了解下吧。
L7805_CW7805和LM7805并没有多大的区别。只是前边的L 、CW和LM只是生产厂商的代号。后面的7805是三端稳压器的代号(7系列正稳压器,05输出电压:DC 5V,电流1A)。同做稳压5V直流电源时可以通用的。
一、LM7805概述
三端稳压集成电路LM7805。电子产品中,常见的三端稳压集成电路有正电压输出的LM78 ×× 系列和负电压输出的LM79××系列。顾名思义,三端IC是指这种稳压用的集成电路,只有三条引脚输出,分别是输入端、接地端和输出端。它的样子象是普通的三极管,TO- 220 的标准封装,也有LM9013样子的TO-92封装。
二、LM7805引脚图

7805是常用的三端稳压器件,顾名思义05就是输出电压为5v,还可以微调,7805输出波纹很小。
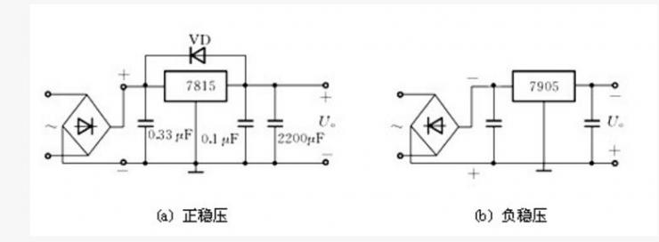
(1) 集成三端稳压器根据稳定电压的正、负极性分为78×××,79×××系列。附图给出了正、负稳压的典型电路。

〈正、负稳压7805电路〉
(2) 三端稳压器的型号规格和管脚分布。

例如:78M05三端稳压器可输出+5 V、0.5 A的稳定电压;7912三端稳压器可输出 12V、1A的稳定电压。 (3) 外形及管脚分布,如附图1-25所示。
三、L7805主要参数
L7805,采用TO-220封装方式。
压降:2V
输出数:1
针脚数:3
封装类型:TO-220
工作温度范围:0°C to +150°C
器件标号:7805
器件标记:L7805CV
容差, 工作电压 +:4%
电压整流器类型:正固定
电源电压 最大:20V
电源电压 最小:8V
芯片标号:7805
表面安装器件:通孔安装
输入电压 最大:35V
输入电压 最小:7V
输出电压 最大:5V
输出电流 最大:1.5A
电压:5V
输出电压:5V
四、7805典型应用电路
7805典型应用电路图78XX系列集成稳压器的典型应用电路如下图所示,这是一个输出正5V直流电压的稳压电源电路。IC采用集成稳压器7805,C1、C2分别为输入端和输出端滤波电容,RL为负载电阻。当输出电流较大时,7805应配上散热板。

下图为提高输出电压的应用电路。稳压二极管VD1串接在78XX稳压器2脚与地之间,可使输出电压Uo得到一定的提高,输出电压Uo为78XX稳压器输出电 压与稳压二极管VC1稳压值之和。VD2是输出保护二极管,一旦输出电压低于VD1稳压值时,VD2导通,将输出电流旁路,保护7800稳压器输出级不被7805典型应用电路图损坏。
五、LM2596集成稳压芯片的基本特性及应用
LM2596系列是3A电流输出降压开关型集成稳压芯片,它内含固定频率振荡器(150KHZ)和基准稳压器(1.23v),并具有完善的保护电路、电流限制、热关断电路等。利用该器件只需极少的外围器件便可构成高效稳压电路。
LM2596内部包含150KHZ振荡器、1.23v基准稳压电路、热关断电路、电流限制电路、放大器、比较器和内部稳压电路等。
该器件内部集成频率补偿和固定频率发生器,开关频率为150KHz,与低频开关调节器相比较,可以使用更小规格的滤波元件。由于该器件只需4个外接元件,可以使用通用的标准电感,这更优化了LM2596的使用,极大地简化了开关电源电路的设计。
其封装形式包括标准的5脚TO-220封装(DIP)和5脚TO-263表贴封装(SMD)。
该器件还有其他一些特点:在特定的输入电压和输出负载的条件下,输出电压的误差可以保证在±4%的范围内,振荡频率误差在±15%的范围内;可以用仅80μA的待机电流,实现外部断电;具有自我保护电路(一个两级降频限流保护和一个在异常情况下断电的过温完全保护电路)

特性如下:
1、输出电压:3.3V、5V、12V及(ADJ)等,最大输出电压37V
2、工作模式:低功耗/正常两种模式。可外部控制
3、工作模式控制:TTL电平相容
4、所需外部组件:仅四个(不可调);六个(可调)
5、器件保护:热关断及电流限制
6、封装形式:5脚(TO-220(T);TO-263(S))
应用领域:
1、高效率降压调节器
2、单片开关电压调节器
3、正、负电压转换器
以上便是小编此次想和大家分享的内容,希望大家喜欢。最后,十分感谢大家的阅读,have a nice day!
