基于异性磁阻传感器和ZigBee实现无线车辆检测器的设计
2021-03-31
来源:互联网
针对现有机动车性能检测仪器的不足,利用各向异性磁阻传感器和ZigBee技术,设计了一款无线交通量数据采集器,并对该传感器节点的硬件结构和软件设计分别作了详细介绍。该传感器将所采集到的交通量数据通过ZigBee无线网络发送至上位机,由上位机对相关信息进行处理,实现对车辆进行分类的功能。
随着智能交通行业的迅速发展,道路车辆信息的采集显得越来越重要。目前,交通行业中大多采用视频车辆检测、红外线车辆检测以及感应线圈车辆检测等方法,这些传统车辆检测方法的准确性受外界环境的影响比较大,通用性不是很强,在安置检测设备时大都需要破坏路面,因而使其应用范围受限。
针对传统车辆检测方法存在的各种缺点,为了满足智能交通对数据采集高效准确的要求,本文将传感器和无线通信模块进行整合,将ZigBee技术应用到车辆检测中,利用Honeywell公司生产的各向异性磁阻(AMR)传感器HMC2003,设计出一种无线车辆检测器。
1 车辆数据采集器的总体结构
基于无线磁阻传感器的车辆检测系统由磁阻传感模块、置位复位模块、信号调理模块、A/D转换模块、微控制器模块、无线通信模块和电源模块7部分组成,系统整体结构如图1所示。

2 硬件结构
2.1 信号采集模块
检测行驶车辆采用磁传感器,车辆含有大量钢铁,从传感器经过时,引起周围磁场发生变化。本文采用的传感器是HMC2003三轴传感器,它包含3个敏感元件,分为敏感轴X、Y和Z,且三轴互相垂直,分别采集与磁场相关的X轴、Y轴、Z轴方向的数据。每轴的磁阻传感器都配置成由4个特性相同元件组成的惠斯通电桥,将磁场转化为不同的输出电压。其最小可以感应到40 μGs的磁场强度,而且具有1 mV/V/Gs的灵敏度以及-2~2 Gs的量程,可为低磁场的测量提供一种紧凑、高灵敏度和高可靠性的解决方法。
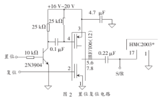
当磁阻传感器暴露于干扰磁场中时,电桥薄膜的磁化极性受到破坏,从而导致灵敏度衰减。HMC2003应用磁开关技术(SR+/SR-),借助一个偏置磁场补偿干扰磁场,即通过集成在芯片内部的置位/复位合金带对薄膜施加3~4 A、20~50 ns的脉冲电流,就可以重新将磁区域对准,统一到一个方向上,这样就可确保高灵敏度和可重复的读数。根据要求,置位复位电路如图2所示。

2.2 信号调理模块
由于在HMC2003内部,其X、Y、Z轴传感器桥路与放大器相连,可输出0~5 V的信号。0 Gs对应2.5 V输出(典型值),该电压实际值由参考电压Vref决定。地球磁场通常为0.5 Gs,输出模拟量在0.5 V~4.5 V范围内变化,因此,HMC2003的输出信号不需要被放大。
由于传感器的输出信号中混杂着大量的干扰信号,来自车辆的发动机的干扰尤为明显。因此在输出信号进入微控制器之前,要对其进行滤波[2]。本设计采用巴特沃斯五阶低通滤波器。
2.3 微控制器模块
微控制器模块负责控制整个传感器节点的操作和处理本身采集的数据。考虑到硬件电路和环境干扰的影响,系统测量的磁场范围考虑为±600 mGs,A/D转换器的位数若为12 bit,可测得最小磁场为600/2 048=0.296 mGs,是HMC2003测得的最小磁场量的4倍多(HMC2003可测得的最小磁场量为40 μGs)[3]。因此,12 bit A/D转换器完全满足要求。此外,考虑到传感器节点特殊的工作环境,其结构设计要求紧凑,电路设计低功耗,本文采用TI公司的MSP430F149微控制器,它的主要特点为[4]:
(1)具有60 KB的在线可编程Flash、2 KB的RAM,因此在整个硬件电路上无须外加程序存储器,体积小。
(2)处理器工作电压为1.8~3.6 V,功耗低,并且可以工作在系统省电模式下。
由以上特点可知,MSP430F149满足本系统对微控制器模块的设计要求。
2.4 无线通信模块
无线通信模块是传感器节点的关键模块,负责传感器节点与路旁设备进行无线通信,接收控制命令和收发采集数据。本文采用CC2430,它结合了一个高性能2.4 GHz直接序列扩频(DSSS)的射频收发器核心和一颗工业级8051单片机控制器。CC2430在单个芯片上整合了ZigBee射频(RF)前端、内存和微控制器。它使用1个8 bit MCU(8051),具有32/64/128 KB可编程闪存和8 KB的RAM,还包含A/D转换器、定时器、看门狗定时器、AES128密保协同处理器、32 kHz晶振的休眠状态定时器、掉电检测功能电路和内置上电复位电路等。
2.5 电源模块
过车传感器被安置于路面,工作环境恶劣,可以采用锂电池为其供电,避免了铺设电线的不便。电源模块包括供电和电量检测两部分。供电部分为整个系统提供稳定的电压,HMC2003的供电电压为6~15 V,而其工作电压为3.3 V,因此需要电压转换芯片。本文采用MAX17112,其能够从2.6 V~5.5 V的输入电压产生最大20 V的输出电压,具有高效率、快速瞬态响应、输入过压保护功能和低功耗的特点。当检测到电源的电压低于一定值时,发射模块发射需要充电的信号,通知工作人员对车辆传感器的电池进行充电,电量检测部分可及时检测锂电池电量,以保证传感器工作的正常进行。
3 软件设计
3.1 系统软件功能
根据车辆检测传感器的功能要求,结合硬件电路结构,系统的软件[5]主要实现以下功能:
(1)实时检测和处理AMR磁阻传感器HM2003传入的磁场改变(由于车辆通过)信息,定时向上位机发送数据。
(2)配置无线发射接收模块,定义好发送与接收数据帧格式。
(3)传感器丢失报警。传感器会定时向上位机发送信号,如果上位机连续10次没有接收到此信号,就认为此传感器丢失,便发出警报,通知工作人员处理相关问题。
(4)传感器低压报警。当传感器供电电压低于一定值时,便向上位机发出信号,上位机即时将该信息显示在工作窗口上,并由工作人员处理。
3.2 软件总体设计流程图
程序开始执行后,首先进行系统初始化,主要包括MSP430F149时钟的设置、I/O口的设置和A/D采样的设置等,然后对通信部分进行设置,最后对上传到上位机的磁场信息通过固定算法进行数据处理[6]。程序流程图如图3所示。

本文提出了一种车辆检测器的设计方法,其基于各向异性磁阻传感器,结合ZigBee无线通信技术,可以灵敏地感知到车辆对地磁场的扰动,并从扰动中提取车辆信息,具有较高的可靠性和准确性。该设计还具有体积小、安装方便、对路面破坏小和易于维护等优点。如果在实际道路中大规模地安装该系统,可以采集大量的真实交通数据,为交通流特性的研究、道路交通事故的预防提供基础数据支持。
