为了iPhone 13更省电,苹果用了2年后将普及的一种技术
2021-04-15
来源: 电子工程专辑
苹果作为一家不造显示面板的企业,自iPhone初代问世之日起,就实实在在地对显示行业产生了很大的影响。手机普遍还在用MSTN、CSTN或者半透反射式a-Si TFT显示屏的时候,iPhone初代就开始用传送式TFT了。再比如,苹果率先在消费电子产品中采用FFS(Fringing Field) IPS显示屏,实现更低功耗和更好的可视角度……
当然毕竟苹果不造屏幕,这些技术的研发主力也并非苹果,但现在很多电子产品中已经普及的技术,不少还是有苹果的身影的。而这两年,苹果对面板行业最大的影响,应该就是一种名为LTPO的技术了——而且它可能在未来两年内会统治市场。
Apple Watch Series 4的显示屏最早应用了这种技术:早年的苹果手表还无法做到屏幕常亮,这是功耗限制决定的;但近几代的Apple Watch藉由LTPO技术,是真正做到了表盘显示时间的常亮,但续航不受影响的;今年的iPhone 13几乎也被分析师认定,会采用这类面板。
而且LTPO技术的确是来自苹果,起初由LG Display借助苹果的技术和IP制造这种显示屏。有关苹果采用LTPO屏幕的传言最早出现在2018年,IHS Markit当时提到iPhone很有可能会在未来长期内采用一种名为LTPO的屏幕,苹果还为此申请了3项很重要的专利。[1]
本文尝试从市场和技术两方面来谈谈这种LTPO显示面板。
降低屏幕功耗是重点
LTPO实际上是一种TFT backplane技术,主要脱胎自现在应用相当广泛的LTPS(低温多晶硅),只不过其驱动TFT晶体管换用了IGZO(铟镓锌氧化物)材料。这部分的原理详情会在本文的最后一部分做介绍。

早年IHS Markit的一份文档显示,LTPO相比现在广泛采用的LTPS面板,能够节约5-15%的功耗。这应该也是LTPO为当代显示设备带来最大的价值。上面这张图虽然不怎么清晰了,但它大致能够总结LTPO是怎么回事,以及带来了什么价值。
LTPO结合了LTPS与IGZO两者的优势,LTPS电子迁移率高,就用于operating(驱动TFT);IGZO漏电低,用于switching(开关TFT)。所以LTPO的全称就是带有机TFT晶体管的LTPS(LTPS with Oxide TFT,或Low-Temperature Polycrystalline Oxid低温多晶氧化物)。上面柱状图标注了switching部分功耗下降5-15%(operating部分不变),就是这个意思。不过IGZO TFT晶体管尺寸比较大,显示屏的像素密度会受到一定的影响,所以LTPO的TFT尺寸会比LTPS略大;且LTPO制造成本会高于LTPS。
不管这些说法靠不靠谱,近代Apple Watch的续航表现提升是实打实的。截止到目前为止,已经采用了LTPO面板的智能手机至少有6款,包括Galaxy S21 Ultra、一加9 Pro等。
三星实际上也开发了自有专利的LTPO,名为HOP(Hybrid-oxide and Polycrystalline),这是LTPO技术普及的基础。看名字就知道,HOP和LTPO应该是同一种东西。国外媒体tom's guide评价已经在用这种技术的Galaxy S21 Ultra在功耗表现上做到了更进一步,OLED显示屏功耗比Galaxy Note 20(最早采用LTPO的三星手机)低了16%,令Galaxy S21 Ultra屏幕在6.8英寸3200x1400分辨率、1300nit峰值亮度的情况下,手机依然有着不错的续航表现[2]。
2023年将统治市场的LTPO
LTPO做到功耗降低,主要靠的是“可变刷新率”。宣传中的LTPO是可以做到屏幕刷新率在1Hz-120Hz之间的任意、平滑切换的。比较典型的是Apple Watch,在日常显示时间时,其屏幕刷新率降到了1Hz,即画面一秒才刷新一次。
一般像手机、PC这样的电子设备,屏幕刷新率是恒定在60Hz的:即每秒刷新60次。这两年高刷新率的屏幕越来越火,现在一般高端手机的屏幕刷新率已经达到了90Hz、120Hz。高刷新率屏幕给用户带来的价值在于动态画面更流畅的观感,包括只是上下滑动微博这样的操作,也能觉察到比60Hz更流畅的体验。
咨询机构DSCC预计,2021年Q2面板采购份额中,46%会是高分辨率面板(以采购量计)。在三星的AMOLED智能手机中,92%的营收预计全部都来自高刷新率屏幕的智能手机——去年二季度这个值还只有22%。[3]
去年iPhone 12还在用60Hz刷新率的屏幕,被认为是这代iPhone的重大槽点。但高刷新率也需以更高的功耗为代价。去年余承东在Mate40系列发布会上提到,选择90Hz刷新率是基于对功耗和体验的权衡。
LTPO的可变刷新率特性,恰好是解决高刷新率屏幕功耗高这一问题的关键。基于并非所有使用场景都需要高刷新率这一特点,例如在用手机看小说时,并不需要高刷新率;在手机上看视频,流播站点视频普遍也只有60fps的帧率,屏幕因此匹配60Hz刷新率才更为合理;唯有游戏、关乎操作流畅度的过渡动画播放,才需要高刷新率。这也是“可变刷新率”实现省电的关键。
供应链消息几乎确认,今年的iPhone 13(或iPhone 12s)会采用LTPO屏幕。电子时报在近期的一份报告中提到,iPhone 13会采用120Hz刷新率的屏幕,而且因为LTPO技术的采用,高刷新率屏幕对续航不会有任何影响。报告中提到,iPhone 13组件的功耗整体将比iPhone 12低大约15%,部分源自LTPO更省电。[4]

来源:DSCC
DSCC最近发布消息称,到2023年底美国智能手机市场,单就OLED屏幕而言,LTPO屏幕手机市场份额会超过LTPS。LTPO可实现低功耗的特性,也很大程度推升了高刷新率屏幕的应用。另外由于缺芯大环境的影响,LTPO作为高端产品会优先发展。加上苹果iPhone 13推动LTPO的采用,预计到今年第四季度,LTPO智能手机的销售额会占到市场25%的份额。
与此同时,三星会将部分原LTPS TFT OLED产线转往面向iPhone 13的LTPO OLED显示面板生产。[5]
LTPO电路结构简谈(选读)
如果你对LTPO这项技术感兴趣,可以继续往下看。前文已经大致提到了LTPO的原理。LTPO属于整个显示面板上TFT(薄膜晶体管)层的技术。这一层上的电路,用于控制每个像素。所以TFT就像像素的明暗开关一样。无论LCD还是OLED,都需要TFT做像素控制。从这个意义上来说,LCD和OLED都能采用LTPO技术。

当代大部分手机OLED面板TFT层基于LTPS(低温多晶硅)。LTPS的特点就是电子迁移率高,远高于最传统的a-Si(非晶硅);驱动电压要求因此就不高,也就不需要占太大地方,可用于高分辨率的屏幕。当然成本也比a-Si之类的方案要高很多。
电视这种大面板常见IGZO(铟镓锌氧化物)。其电子迁移率会显著低于LTPS,但比a-Si还是要高出不少的。相对而言,IGZO在成本方面比LTPS有着更大的优势;但因为电子迁移率低一些,电路占地面积会大点儿,可实现的像素密度就无法做到LTPS的程度。
这是我们一般人对于LTPS和IGZO的了解。事实上LTPS还有一个比较显著的问题,那就是其off-state关断状态的漏电流天然比较高——为了让显示画面更稳定,LTPS屏幕需要将刷新率维持在至少60Hz。有了高刷新率,漏电流对画面的影响问题就无所谓了。当然我们知道,现在大部分显示屏基本都在60Hz的刷新率,所以一般并不会认为这是个问题。
而且因为消费电子产品普遍在追求高刷新率,LTPS有着比较出色的电子迁移速度,所以相较其他主流的TFT方案,LTPS在同样高刷新率(及其他同等条件)时一般是更省电的。
但必须维持至少60Hz刷新率这一点,也就让LTPS无缘于下探更低的刷新率了。如前所述,现在的可变刷新率屏幕,刷新率能下探到1Hz——这对LTPS而言是没戏的。

而像IGZO这样的金属氧化物开云棋牌官网在线客服,就有着很低的off-state漏电流(如上图),所以IGZO可应用低刷新率。但如前所述,IGZO的电子迁移率低很多,这就要求采用更大尺寸的GIP(Gate Integrated Peripheral)电路以及更高的驱动电压。
所以苹果想到将金属氧化TFT,也就是IGZO放到LTPS背板上,算是结合了两者的优势:针对LTPS的像素电路,采用IGZO开关TFT。开关TFT通常在画面的每一帧都开启一次,即IGZO在此负责开关。前文提到,其关断状态下漏电流比较小,也就能够让像素亮更久,以实现更低的刷新率。
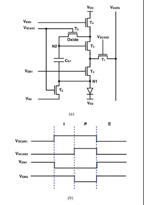
来看看Apple Watch Series 4之上,那块屏幕的LTPO TFT电路是什么样的:

来源:Ting-Kuo Chang et al., “LTPO TFT Technology for AMOLEDS”, 2019 The Society for Information Display, Volume 50, Issue 1, June 2019, https://doi.org/10.1002/sdtp.12978
图示电路,1个IGZO TFT作为开关晶体管(T3),另外5个都是LTPS TFT(T1,T2,T4,T5,T6),以及一个储存电容Cst。其中T2是驱动晶体管,它负责产生电流来驱动OLED——N2节点处是已经编程过的数据电压。T3则是控制N2节点编程的开关晶体管;T4、T5主要控制发射阶段(图中(b)的E阶段);T6执行Cst的初始化,以及N1节点处的OLED电容。
此电路用到2个电源信号Vdd和Vss,1个数据信号Vdata,一个初始化信号Vini,4个控制信号Vem1,Vem2,Vscan1,Vscan2——分别用于发射和扫描。
这是个6T1C(6个晶体管,1个电容)的像素电路,其中的开关晶体管换用了IGZO。其工作流程这里就不说了。上图(b)是控制信号时序图,I是初始化阶段,P为编程与阈值电压补偿阶段,E为发射阶段。详细可参见苹果发表的paper。
为了获得很低的刷新率,必须以足够长的时间,维持住Cst储存电容中的电,以保持N2节点的电压。如果做不到这一点,最终画面就可能面临闪烁问题了。可以考虑把Cst电容做大,但这样一来像素就大了,会影响到像素密度;而且还需要更多的像素编程时间,影响到显示表现。
所以通过T3减少Cst释放出的漏电流,就成为不错的选择。因此T3以IGZO的方式存在,替换掉原本的LTPS开关晶体管。在发射阶段(此阶段会关闭T1、T3、T6),Vdd到Vss,电流通往OLED——T3处于关闭状态,能够确保最小的漏电流。
以上就是LTPO的大致原理了。实际上这其中还涉及到一些具体的问题,是需要在实施过程中解决的。比如说,在1Hz这样的低刷新率之下,驱动晶体管T2滞后问题会凸显出来,可能存在画面残留或闪烁的问题。
而且LTPS TFT和金属氧化TFT工艺其实是不相容的:LTPS TFT需要大量氢原子来钝化多晶硅内、以及多晶硅与栅极绝缘层之间的悬挂键(dangling bonds)和缺陷。而过量的氢最终会导致IGZO阈值电压产生偏移,在较低的显示驱动频率下,这个问题还会尤为显著。这些问题在苹果的paper中也都得到了解决。

IHS Markit绘制的6T1C像素LTPO剖面图,这应该是个Buttom-Gate结构
最后值得一提的是,LTPO诞生之初,有关这种结构是否真的能够有效降低功耗的质疑是始终存在的。包括5-15%的功耗下降似乎是仅限TFT背板自身的,而非整个面板。不过我们认为,LTPO可令面板刷新率降低,其带来的功耗红利是系统性的、相关具体使用场景的,Apple Watch就是最好的例子。如果一直拿手机来玩游戏,显然LTPO并不会带来什么续航的提升,因为这无法凸显其可变刷新率的价值。
但即便是这样,LTPO也仍然有价值。一加9 Pro引入了一种名为“游戏超频响应”的机制:由于游戏画面的帧率(即GPU进行图形计算输出的帧率)是动态变化的,在屏幕刷新率固定的年代,游戏帧率与屏幕刷新率的不一致会带来画面撕裂的问题(垂直同步则会造成帧的延迟)。在屏幕刷新率可变的情况下,屏幕刷新率就可以与游戏画面帧率同步变化了,这也算是LTPO一个不错的附加价值——或许未来还有更多有潜力的应用场景存在。
