革新无线覆盖:强大的蜂窝DAS集成解决方案
2023-07-16
作者:Hamed M. Sanogo,通信和云终端市场专家
来源:ADI
摘要
商业建筑和体育场馆需要实现高质量的蜂窝覆盖,但相关环境对信号接收造成了挑战。本文详细介绍了分布式天线系统(DAS)的综合解决方案,为在建筑结构内部扩展蜂窝覆盖范围和容量带来了更优质的设计思路。本文概述了高集成度系统设计的多项优势,该设计中包含了射频收发器以及与之耦合的双向放大器(BDA)或远程访问单元(RAU)设备。读者可以通过仔细查看草拟的方框图,更深入地了解解决方案中的多种元素将如何协同工作。
简介
商业建筑和体育场馆等现代环境常需要改进蜂窝网络覆盖性能,以提供无缝连接体验。然而,如今的大型商业建筑、医院和体育场馆常常会采用厚钢材、混凝土和节能玻璃墙,这些材料容易阻碍蜂窝信号传输,导致人员在其中无法获得良好的手机信号。换句话说,加固结构、有色窗户以及其他建筑材料会让建筑物屏蔽射频信号1。此外,高层建筑可能会受到附近蜂窝塔的高水平射频干扰,这会进一步降低信号质量。当狭小空间中的人员过多时,常会导致系统超容量,这也是手机接收信号不良的一个原因。这些因素共同导致了不理想的蜂窝电话接收效果。而集成式DAS解决方案可以在提供优质蜂窝服务和加速无线网络的未来发展中发挥关键作用。
什么是DAS?
DAS是一种室内无线增强系统,可为建筑内的人员提供可靠的手机覆盖。DAS是由在空间中彼此独立的天线节点组成的网络,可扩展蜂窝范围并增强信号强度,在高密度室内或室外场所实现出色的蜂窝连接体验。尽管DAS的具体部署方式各不相同,但典型部署可能涉及以下组件的直接连接:施主天线、射频信号BDA或增强器、无线运营商的基站收发台(BTS)、光纤分配前端、RAU以及建筑物内经战略性部署的多个天花板天线。某些情况下,还需要为每家运营商都安装一个BTS。
通常,多个射频馈送信号会被合并,然后传递到前端,即主分配单元。施主天线位于建筑物顶部,负责发送信号和接收来自蜂窝运营商的信号,并通过处于适宜位置的射频信号BDA将无线信号引入建筑物中。前端设备随后通过各种光纤电缆向RAU馈送信号。RAU又通过同轴电缆向天线系统馈送信号。单个RAU可以向多个天花板天线馈送信号。与蜂窝基站为蜂窝网络提供覆盖类似,这可以为建筑物内的移动设备提供语音和数据服务。图1显示了一个典型的全DAS架构。
室内无线覆盖有两个主要的改善趋势:一是仅使用射频增强器或BDA产品,这些是简单的信号中继器(也称为无源DAS);二是使用完整的有源DAS系统,如图1所示。无源和有源DAS信号分配系统均可用于改善商业建筑内的无线覆盖和容量,可根据实际情况选用。混合DAS是指同时包含无源和有源方案的分布式系统。
图1.混合DAS架构
双向放大器
射频信号从施主天线传播得越远,信号强度就会越来越弱,原因是长同轴电缆会带来衰减。无源DAS可以避免或减轻这种情况,该方案使用了大量的多频段射频中继器来增强或放大并重新驱动信号。BDA前端包括一个具有滤波性能的低噪声放大器(LNA),有时还包括自动增益控制(AGC)电路。AGC器件专门设计用于限制射频功率水平,以及保护BDA免受损坏或失真。BDA可同时放大两个方向上的射频信号。BDA不会调制、修改或以其他方式扭曲实际射频信号。其主要作用在于增强整个建筑物中的射频信号。大多数BDA模块设计用于同时放大多个载波,其使用不需要与运营商达成协议。图2所示为高级方框图,其中包含推荐使用的BDA器件,可用于放大和重播射频信号。
DAS远程访问单元
DAS前端设备负责执行模数转换,可转换来自一家或多家运营商的射频信号。这就是为什么每家供应商通常需要运营商批准才能安装有源DAS。将射频信号数字化并将其置于高带宽光纤电缆上,可使信号以高带宽、全强度和非常低的损耗,并跨越更远的距离传输至整个商业建筑中经战略性部署的所有RAU中1。此过程将进一步增强信号的抗干扰性。
RAU将数字光纤信号转换回模拟射频信号,并将其馈送到DAS天花板天线。RAU通过同轴电缆连接到远端吸顶天线,以实现更大的覆盖范围和更长的通信距离,让所有用户都能享受到出色的蜂窝连接体验。图1显示了前端和所有RAU之间的光纤布线。
RAU是DAS中主要的关键功能,有助于扩展射频容量。RAU的主要作用是实现数字到射频和射频到数字的转换。ADI公司提供了集成度高且灵活性强的射频收发器解决方案(如ADRV902x系列),为帮助RAU胜任复杂任务带来了基础集成电路器件。
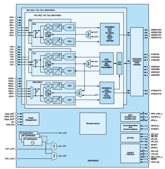
图3显示了典型DAS RAU的高级框图。表1列出了一些建议的器件功能和产品型号。图中为该平台提供了多个具体的器件建议,但下文将仅重点关注射频收发器、ADRV9029和一些附加电源器件。
图2.BDA/射频增强器框图
图3.使用ADRV9029射频收发器的典型RAU的框图
高度集成的零中频采样模拟收发器:ADRV9029
ADRV9029是一款高集成度的零中频采样模拟收发器,能够合成和数字化宽带信号。通过编程,该器件可用于频分双工(FDD)和时分双工(TDD)应用。该器件能够提供DAS蜂窝基础设施应用所需的性能,尤其是RAU。作为其数字前端模块的一部分,该器件具有数字预失真(DPD)自适应引擎和削峰(CFR)引擎,这两个关键功能使其在竞争对手中脱颖而出。如果DAS系统的低延迟要求非常严格,则可以旁路CFR。图4为ADRV9029的功能框图。
数字预失真功能
DPD功能或特性支持无线系统将其功率放大器(PA)驱动至更接近饱和的状态(但不会使功率放大器饱和),从而在保持线性度的同时,实现更高效率的功率放大器。也就是说DPD功能通过扩展PA的线性工作区,使RAU实现更高的功放效率,而且仍然满足发射信号链的邻道泄漏比(ACLR)要求。远程DAS节点中的PA还有助于降低其整体功耗。ADRV9029的观察接收路径连接到DPD执行器和系数计算引擎,以帮助系统的PA高效运行。
ADRV9029的DPD算法支持高达200 MHz的载波带宽。与使用射频收发器和基于FPGA的DPD分立式解决方案相比,将DPD功能集成到ADRV9029中可显著节省系统级成本、空间和功耗。如特定应用有需要,可以通过GPIO控制完全旁路ADRV9029中的DPD引擎。
将DPD应用于20 MHz LTE信号基带数据后,ACLR(即所分配信道上的发射功率与相邻无线电信道中泄漏的功率之比)的性能改进如图5所示。这些功率谱密度图说明了在应用DPD后,由LTE 20 MHz信号的交调产物引起的带外非线性如何降低15 dB至20 dB。
削峰模块
由于当前无线系统相关技术的固有特性,信号可能会具有很高的峰均功率比(PAPR),这一现象在正交频分复用(OFDM)等多载波波形中尤为明显,并会导致降低PA的效率。主要原因是信号的峰值超出了PA的线性工作范围。削峰(CFR)方案可确保信号所需的范围在功率放大器的线性范围内,并有助于减轻甚至消除系统中PAPR的影响。
ADRV9029带有板载CFR引擎,该引擎可帮助降低PAPR。通过降低PAPR,RAU的PA可以在更高输出功率下运行,从而提高其在发射线路中的功率放大器效率。该器件配备了三个CFR引擎。简而言之,这个精密受控的单片平台提供了一个由CFR模块预辅助的DPD引擎。正是这种芯片上信号处理的组合,使得ADRV9029在在保持PA线性度方面占据了竞争优势。
ADRV9029利用了一种基于脉冲消除技术的变体来实现CFR。该方法通过从检测到的峰值中减去预先计算的脉冲,使信号保持在功率放大器的线性范围内。因此,这需要为每个载波组合生成并加载脉冲。由于上述和其他因素让CFR模块产生了额外的延迟。在大多数情况下,DAS系统具有严格的延迟要求。在此类情况中,可以简单地旁路CFR功能。ADRV9026是不带DPD和CFR的产品系列的成员。
电源
努力实现尽可能高的误差矢量幅度(EVM)和邻道泄漏比(ACLR)等静态发射器性能指标后,如果忽视RAU的系统电源设计,可能会导致与射频设计和仿真工作相关的所有优异成果均付诸东流。在工作期间,ADRV9029的电源电流可能会有很大变化,尤其是在TDD模式下工作时。如果不对电源噪声加以控制,则甚至会让JESD204B/JESD204C链路性能受到影响。
ADI公司开发了有关开关模式电源和封装的创新技术,以支持其所有射频收发器和其他5G RF SoC器件,例如ADRV9029。Silent Switcher? 3系列IC具有超低频输出噪声、快速瞬态响应、低EMI辐射和高效率等特性。我们推荐在RAU中使用LT8642S、LT8625S和LT8627SP,如图3中的框图所示。
在大多数情况下,ADI第三代Silent Switcher器件无需LDO,即使在锁相环和LNA设计等对电源噪声非常敏感的应用中也是如此。当需要LDO时,推荐使用ADM7172和LT1761。为了避免不必要的上电电流,ADRV9029需要遵循特定的上电序列。此时建议采用ADM1166作为解决方案。
图4.ADRV9029功能框图
图5.功率谱密度,显示了对20 MHz LTE信号应用DPD后ACLR的改善
DAS有助于实现高效的射频覆盖范围和容量,改进无缝连接性能,从而满足当今对可靠语音和数据的高需求。本文讨论了BDA(也称为无源DAS)或全有源DAS解决方案如何改善建筑结构内的蜂窝信号,以确保整个设施内的所有人员均享有稳健可靠的无线连接体验。RAU是全有源DAS通信解决方案不可或缺的组成部分,就像ADRV9029对于DAS节点一样。ADI公司提供参考设计、用户指南、固件库和其他设计资料,为工程师的设计工作提供多方位支持。
参考资料
1“设计分布式天线系统(DAS)”。Advantage Business Media,2016年。
更多精彩内容欢迎点击==>>电子技术应用-AET<<

