一种新技术的引入通常需要一个过渡过程,在这个过程中,用户不断地检验新技术中实际可行的因素和不切实际内容。本文旨在澄清模拟与数字电源管理之间的不同。从多方面考察两种技术差异及其对系统性能的影响。表1、表2分别列出了各自的优、缺点:
从用户的角度看,很难确定哪一种方式更好。不断提高的系统复杂度为考虑使用数字电源管理方案的用户铺平了道路,虽然有些设想在不久以前还看起来难以逾越。但是,数字电源产品的应用案例及其相关的一些传说表明,人们在某种程度上为数字系统所能处理的问题蒙上了一层不切实际的光环。随着这项技术步入其自然的发展轨道,应该平息其所伴随的神秘色彩以及不切实际的宣传。用户随后所面临的问题是:那一种方案最好?
总的来说,电源管理没有纯粹的数字或模拟方案。以模拟控制架构为例,其内部脉宽调制电路即包含了数字电路,例如:时钟、门电路等(如BobMammano设计的SG1524)。三十年后,数字脉宽调制(PWM)成电路同样也包含了明显的模拟电路,如:ADC、基准源、放大器等。因此,正确的方案选择取决于电路功能的合理划分,而正确的划分又与当前可以利用的技术和系统需求有关。因此,当前的划分标准可能不同于将来的标准。
目前,为了满足系统误差的要求,一个理想的系统应能提供较高精度,要求电源具有更小的体积,而且满足高速通信、高速处理系统中微处理器或ASIC对电源容限的苛刻要求。基准精度一般为1%,而最新的处理器、ASIC电源要求误差不超过几毫伏。工作在低压状态时,要求优于1%的精度,而且在高温情况下也必须满足这一精度要求,目前大多数系统的工作温度范围为0℃~85℃。
由于多处理器核或小尺寸处理器对应的I/O口对于不正确的压差所引起的“闭锁”现象非常敏感,电源的跟踪与上电顺序也非常关键。复杂的电路板需要多电源供电,因此对上电顺序和跟踪的要求也更加严格。这些功能利用模拟技术很难实现,而数字技术则可解决这一复杂问题,提供精确、简单的方案。
|
|
|
表1 |
|
|
|
表2 |
高端系统要求近乎为零的故障时间,因此,对于冗余系统的监控也十分重要,以确保系统可靠工作。这就需要了解产生电源故障的原因和过程,在出现问题时采取迅速的解决措施。用模拟技术构建监控电路需要很多分离元件或专用电路。有些系统由于受体积、价格及复杂度的限制,不得不简化了监控环节,导致较低的系统可靠性。对于数字系统来说,提供这种系统检控几乎不需要增加系统成本。在数字系统中,用于数字引擎操作的信息采用数字格式,可以很容易地增加通信容量。
为了快速占领市场、支持产品的需求,设计人员常常在很仓促情况下开发ASIC,甚至没有经过完整的评估就投入使用。从而使产品在投放市场的过程中处于两难境地,一方面可能需要昂贵的招回成本,修改工作电压、监控电路及上电顺序控制;另一方面可能忽视系统的可靠性,为系统的后续使用埋下隐患。这两种情况都违背了零失效时间的系统要求,这时,比较明智的选择可能是数字方案,对系统进行现场编程,对用户来说实现方便、透明的系统升级。
|
|
|
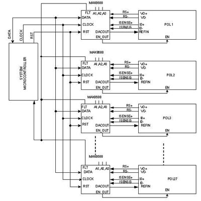
图1:基本数字处理功能,基于MAX8688数字控制/监测IC |
|
|
|
图2:可控制、监测4路电源的系统 |
方案的折中考虑
从目前的系统及不断涌现的需求看,利用模拟方法解决所有问题显然不能满足发展的需求。目前,很多用户在考虑数字方案时,比较关心的一个问题是“闭环问题”。对于大多数工程师来说,数字电源意味着一个能够进行数据通信、读写信息、更改设置、无需改变硬件进行升级的系统,在数字域完成这些操作无需闭环反馈。
对于选择数字电源还是模拟电源这个问题,其原则应该是“合适就好”。如上所述,数字或模拟方案都不能保证所用功能的最优化。每种方案都有其固有的优点和缺点,正确的系统分析有助于为具体的应用提供最合理的解决方案。
|
|
|
表3:模拟与数字电路分析 |
上表中的脉宽调制电路(PWM)可能最好保留模拟架构,它主要由基准、误差放大器、比较器和电压斜波电路组成,有些方案还包括滞回电路。任何情况下,保留这些基本的模拟电路单元都是比较理想的选择,它占用更小的硅片面积,也更便宜。PWM控制IC包括许多其它单元(电压调节、MOSFET驱动、远端检测放大器、欠压锁存电路及过压、过流保护电路),但大部分电路不受PWM电路形式(模拟或数字)的影响。





