自从数字技术进入音频领域,音源和输入系统的音质得到了很大的改善,前置放大器" target="_blank">放大器变成几乎只是音源选择开关和音量电位器的简单东西。但与此相反,输出系统却与模拟时代时一样变化不大,其原因因主要是扬声器的原理并无大变。由于声频范围宽至九至十个倍频程,要使扬声器的振动系统在如此宽的频率范围内,完全线性地按照电信号振动十分困难,再要求具有线性的声辐射特性.几乎是不可能的。一个解决的途径是把声频范围分成数段.再用数只扬声器分段放音,这即是多扬声器系统,常见的是二单元和三单元系统。但是分割频带需要分频网络,一般是在功率放大器和扬声器之间插入 L 、 C 滤波器。由于扬声器并非纯电阻成分,给分频器的设计带来困难,不易得到良好的性能;且优质的分频器需要选用优质的电感器和电容器,价格不菲。此外,由于各种扬声器的效率不同 ( 高音扬声器比低音扬声器约高 6 分贝 ) ,为了平衡整个频带的声压,需要在分频器中插入衰减器,以降低高效率扬声器的电平.其结果是整个扬声器系统成为几个最低效率扬声器的组合。
为了改变这种情况,产生了多通道放大器方式。
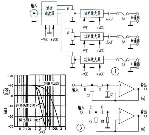
在前置放大器之后用有源滤波器分割频带,各频段有自己的功率放大器和扬声器,各频段的电平在各功率放大器之前用电位器调整。这种方式的优点是显而易见的,它取消了前述 LC 网络,又能有效地利用各个扬声器的效率;同时,也降低了对功率放大器的频率要求,输出功率也可以小一些;这种结构示于图 1 ,其关键电路是有源滤波器。

滤波器有低通、高通、带通滤波器以及带阻滤波器。低通滤波器容许从零频至其截止频率的分量通过 ; 而阻止高于截止频率的分量;高通滤波器阻止低于其截止频率的分量,而容许高于它的分量通过:带通滤波器容许界于其低截止频率和高截止频率之间的频率分量通过,而阻止这一频率范围外的所有频率分量。
使用运算放大器的有源滤波器可以取消电感元件,并能获得电压或电流增益。按滤波器截止特性不同可分为贝塞尔型、契比雪夫型和巴特沃斯型.其特性曲线见图 2 ,主要表现在截止频率附近.贝塞尔型下降缓慢,契比雪夫型下降陡峭,而巴特沃斯型界于二者之间。截止特性通常用 l 倍频程的衰减量为多少分贝来表示,二阶滤波器的每倍频程衰减量为 12 分贝,三阶滤波器为 18 分贝.图 3 是标准的巴特沃斯二阶有源滤波器。图 3a 为低通滤波器,其计算公式如下:

R1 实际选取 18k Ω, R2 实际选取 9.1k Ω, C 实际选取 2200pF 和 270pF 并联。
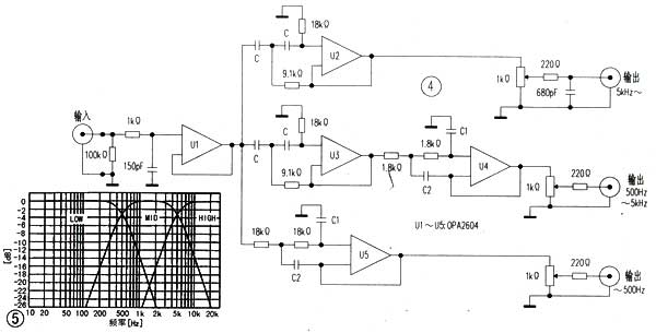
图 4 是一款音频用 12 分贝三通道电子分频器的原理图。选用多通道前级分频比在功率放大器后分频更能获得良好的音质。三通道分频的频率范围分别是低频~ 500Hz :
中频 500Hz~5kHz ;高频 5kHZ 。它们合成的频率特性示于图 5 。

其低频滤波器和高频滤波器即是前而的设计例:中频采用了带通滤波器.由一级高通滤波器和一级低通滤波器组合而成.其 R 、 C 的计算与设计例相同。这里把低通滤波器设置在高通滤波器之后可以减少残留噪声,在滤波器之前设置一缓冲器有利于与音源的匹配,其输入端的 1k Ω和 150pF 用于限制输入信号的带宽:各滤波器的输出端均用 1k Ω的 10 圈线绕电位器作输出电平调整。
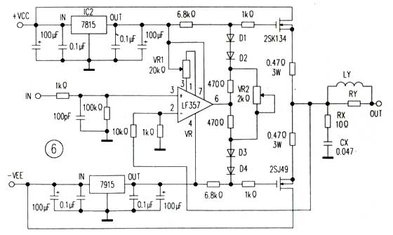
三路滤波器的输出信号分别接至相同的三个功率放大器,其电路示于图 6 。首先用输入级为 FET 的运放 LF357 作电流缓冲,末级功放管采用高频特性好的 MOSFET ,偏置电路用二极管和电阻构成.利用半可变电阻 VR2 设置静态电流,静态电流的测定可在无信号时测量源级电阻 (0.47 Ω ) 两端电压。然后利用公式 I="U" / R 算出。末级负反馈从 MOSFET 的源极加到运放的反相端。由于用作驱动的运算放大器的电源电压不能过高,限制了功放的最大输出。如运放电源电压为± 15V ,驱动级最大输出电压为土 12V=24V ,扬声器阻抗 RL="8" Ω,则末级最大输出功率 P="Vcc" × (VCC / 8RL)=24 × 24 / 64=9W 。这个功率似乎偏小,但实际上这只是一个频段的输出功率,加上另外两个频段的输出功率,已完全适用。

图 6 中,功放输出端的 Rx 、 Cx 及 LY 、 RY 是为稳定电路工作而设。由于扬声器不是纯电阻成分,在频率升高时,其电感成分会变大,相当于高频负荷变轻、高频增益提高,可能引起电路振荡;加入相当于高频负荷的 Rx ,就能避免振荡。
当用较长的电缆连接功放和扬声器时,由于电缆电容的存在.会加重高频负荷,使功放工作不稳定;加入 LY , RY ,可避免这种情况。 LY 和 RY 是用直径 1mm 漆包铜线在 101 Ω 5W 碳膜电阻上密绕 10 匝而成。
为了保护扬声器,在各功放的输出端要串人 2A 的熔丝,在高频通道,还要在功放和扬声器之间串人 2.5 μ F 的聚丙烯电容器,以保护高频扬声器。
各通道滤波器只要电阻、电容的数字准确.一般不需调试.功率放大器的调整:在无信号输入时调整 VR1 使输出电压为 0V ,然后调整 VR2 使源级电阻 0.47 Ω两端电压为 0.1V( 约 200mA) 即可。
