1 引言
CCl050是针对极低功率和电压无线应用而设计的单片UHF发射器,该器件主要应用于315 MHz,433 MHz,868 MHz和915 MHz ISM频带,也可通过编程设置应用于300~l 000 MHz频率范围。CCl050具有如下特性:通过串行接口编程设置工作参数;工作电压为2.1~3.6V;低电流消耗,低功耗模式下电流仅lμA;FSK 调制,数据速率为76.8 KB;可编程设置输出功率为一20~12 dBm。可编程频率漂移补偿;采用TSSOP-24封装;符合EN 300 220和FCC CFR47 part 15规范。因此,CCl050可应用于无线报警和安防、家庭自动化、无线自动读表等系统。
2 CCl050简介
CCl050内部集成有压控振荡器(VC0)、回路滤波器(LPF)、充电泵、鉴相器(PD)、分频器、晶体振荡器、功率放大器(PA)和控制逻辑电路。 VCO的输出信号直接馈送到功率放大器。发射数据是由DI引脚端输入,FSK调制输出。功率放大器采用单端输出,易于天线接口相匹配。发射模式频率合成器产生本机振荡信号馈送到功率放大器。频率合成器是由晶体振荡器(0SC)、鉴相器(PD)、充电泵、VCO和分频器(/R和/N)组成。该器件外接晶体振荡器和VCO电感。微控制器通过3线总线控制CCl050的结构配置。CCl050的内部结构如图1所示,其引脚功能如表1所示。


3 CCl050典型应用电路

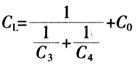
CCl050的典型应用电路如图2所示。基于CCl050的FSK发射典型应用电路最主要特点是:只需外接少数几个元器件就能够实现不同工作频率,各元器件参数设置可参考CCl050的数据手册。其中,C1,C2和L2是为匹配发射器到天线而设置的。L1谐振回路电感,连接到CC1050的引脚5和引脚 6。C13、C14为数字部分片内电压调节器的退耦电容。C10、C11、C12为VC0电源电压的退耦电容。连接到CC1050 13、14引脚附加LC滤波器可减少谐波发射,其电路设计如图3所示。该晶体两端的总负载电容值CL为:
式中C0为寄生电容。
寄生电容是由引脚输入电容和PCB漂移电容组成,总寄生电容的典型值为2.5 pF。
图4为CCl050与微控制器的接口电路连接。

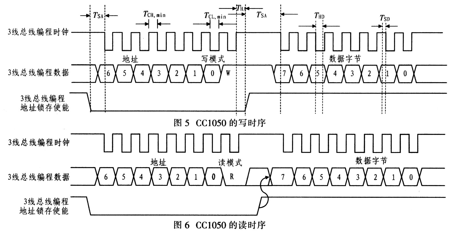
CCl050通过3线总线(PDATA,PCLK和PALE)完成内部寄存器配置,其内部含有33个8位寄存器。每个数据帧发送16位数据(7个地址,1个读写位,8位数据)。CCl050的寄存器写、读时序分别如图5、图6所示。

4 结语
基于CCl050的FSK发射电路外围设计简单,通过编程设置内部寄存器使CCl050性能达到最佳,并通过编程设置发射,接收低功耗模式、射频输出功率/ 频率、FSK频偏、晶体振荡器基准频率、振荡器电源导通和关断、数据速率和数据格式(NRZ、Manchester码、UART接口)、同步锁定指示器模式以及调制频谱整形。因此,该FSK发射电路可应用于低功率UHF无线数据发射系统,具有广泛的应用前景。
