近年来研究移动机器人倍受重视,仿照生物功能发明的各种移动机器人越来越多,小到娱乐机器人玩具、家用服务机器人,大到矿产勘测、工程探险、军事侦察机器人等。避障小车是一种移动机器人,它通过传感器系统感知外界环境,在复杂环境中自主移动并完成避障,一般采用超声波、红外、激光、CCD等传感器设计。由于红外传感器探测视角小。方向性强,测量精度高,价格便宜,而且可在夜间工作,因此红外传感器作为视觉应用于移动机器人避障。本设计是以TI公司生产的TMS320LF2407型DSP为核心,采集环境信息并控制智能小车,3个红外发收传感器检测智能小车前方的障碍物,并且根据障碍物位置进行自动避障。
1 自动避障小车总体设计
该系统主要由DSP控制、电机驱动、电源、测速以及视觉等模块组成,其结构如图1所示。

小车为3轮结构,前面2个轮分别由2个电机独立驱动控制,后面1个万向轮作为支撑轮。小车安装有3个红外传感器,分别位于车头的左、中、右部位,用于采集环境信息。车体规格为:车身板距地7.5 cm,车长25 cm,车宽12 cm,车轮半径5.5 cm。速度控制采用定频调宽的PWM调速,并应用速度反馈和闭环PID控制,从而实现小车精确的速度和位置控制。
2 自动避障小车的硬件设计
该系统以DSP TMS320LF2407A为核心,该DSP片内资源丰富,具有电机控制的独特资源,12路脉宽调制(PWM)输出。视觉模块采用E3FDS3-0P1型红外传感器,有效探测距离为30 cm,探测角度30°。将3个红外传感器分别接至I/OPE接口的I/OPE4、I/OPE5和I/OPE6。由于光电开关正常状态时信号高电平为5 V,而DSP标准高电平为3.3 V,所以应在光电开关与DSP之间串联分压电阻。电源采用12 V蓄电池供电。DSP是以+3.3 V电压供电,因此必须将+12 V标准电压转换成+3.3 V。该系统采用LM7805与MAX604作为电源转换器。12 V电源首先经LM7805调压到5 V,先将5 V电压送入红外传感器,再送入MAX604降压为3.3 V,如图2所示。

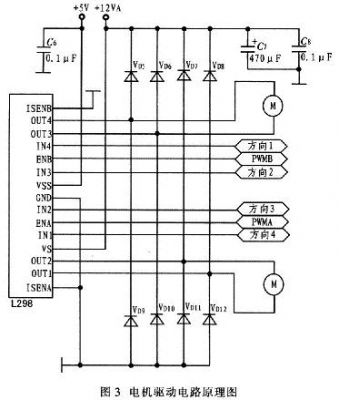
采用L298驱动电机,0UTl,0UT2分别与小车的一个电机的正负极相连;OUT3,OUT4分别与小车的另一个电机的正负极相连;L298的INl和IN2引脚分别与DSP的IOPE0(方向4)、IOPE1(方向3)引脚连接,用于接收主控器件输出的转向电机的动作指令,并通过0UTl和OUT2控制左电机的正转与反转,L298的IN3,IN4引脚分别与DSP的IOPE2(方向2)、IOPE3(方向1)引脚连接,用于接收主控器件输出的驱动电机的动作指令,并通过0U113,OUT4控制前方右电机的正转与反转,而ENA和ENB引脚分别连接到DSP的IOPE0(PWM3)、IOPEl(PWM4)引脚,用于控制电机的速度,
其电路原理图如图3所示。

L298分别控制并调整前面2个电机的旋转方向,控制小车的前进、后退、向左、向右、停止。由于小车采用三轮结构,前面2个轮既是动力轮又是方向轮,当INl、IN2、ENA分别为l、0、1,同时IN3、IN4、ENB分别为0、l、l时,小车前进;当INl、IN2、ENA分别为1、O、l,同时IN3、IN4、ENB分别为l、0、l时,小车右转;当INl、IN2、ENA分别为0、1,1,同时IN3、IN4、ENB分别为1、0、1时,小车左转。
采用测速电机测量电机转速,以此判断速度。电机转速转换为电脉冲信号,其输出经过HD74HCl4P(HD74HCl4P内部有若干反相器电路,可完成寄存器复位),送至DSP的PA3(CAPl)和PA4(CAP2)引脚,根据软件设置使计数器对脉冲信号上升沿进行递增计数。如图4所示。

