基于MC9S08Lx设计的超低功耗MCU开发技术
摘要: MC9S08Lx系列是集成了LCD驱动器的超低功耗MCU,同时增加了ADC的精度以用于医疗和仪表测控应用.MC9S08LH采用8位HCS08CPU,有高达64KB的闪存,3.6V-2.1V电压时CPU频率高达40MHz,支持多达32个中断源,带电荷泵的多达8x36或
Abstract:
Key words :
MC9S08Lx系列是集成了LCD驱动器的超低功耗MCU,同时增加了ADC的精度以用于医疗和仪表测控应用. MC9S08LH采用8位HCS08 CPU,有高达64KB的闪存,3.6V-2.1V电压时CPU频率高达40MHz,支持多达32个中断源,带电荷泵的多达8x36或4x40 LCD驱动器以及16位分辨率的ADC,主要应用在汽车电子,消费类电子,智能电表,工业控制,医疗和马达控制.本文介绍了MC9S08LH64系列主要特性,方框图以及TWR-S08LH64-KIT开发套件主要特性和开发板电路图.

图1.MC9S08LH64系列方框图

图2.TWR-S08LH64-KIT开发套件外形图
Specifications:
Board Size 3.55” x 3.20” overall
Power Input: +5V from USB connector or from Tower System

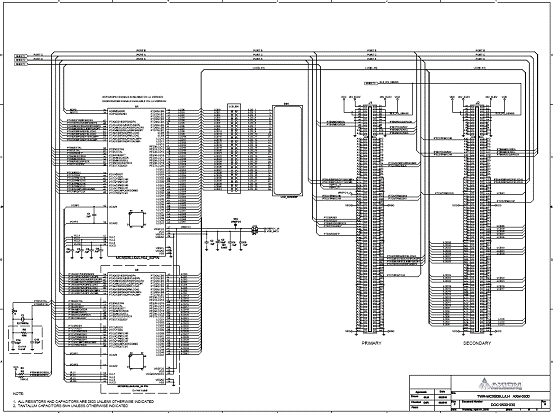
图3.TWR-S08LH64-KIT开发板电路图(1)

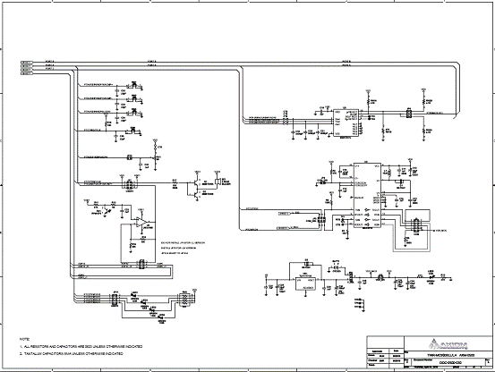
图4.TWR-S08LH64-KIT开发板电路图(2)

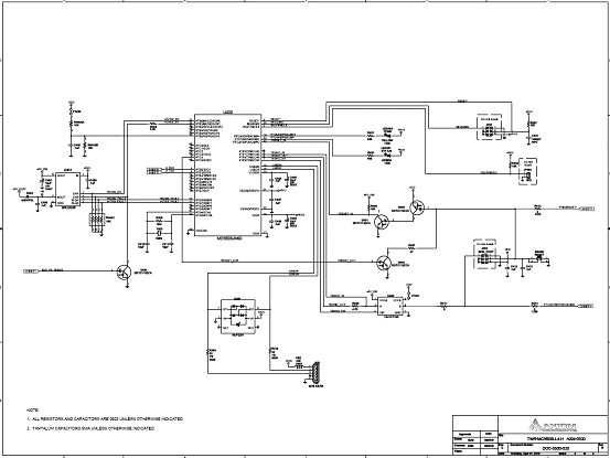
图5.TWR-S08LH64-KIT开发板电路图(3)
此内容为AET网站原创,未经授权禁止转载。
