你曾经玩过一种当你偏离赛道时手柄发出震动警示的电视赛车游戏吗?如果玩过,你便已经对触觉界面有了感观的认识。触觉这个词来自希腊语haptikos, 意识是抓住或感知。通过触觉机器人,用户可以感觉到遥远的或虚拟的环境。触觉界面给用户真实的触觉反馈,让用户可以感受到那些并非直接接触的事物。例如,触觉界面让你能够感觉到模拟飞行方向盘的阻力,而触觉反馈能让飞行员知道该使多大的力气。
触觉研究其中一个尖端前沿区域叫做“被动触觉”一般的触觉界面都是主动感知,意思是系统使用电机和风力等动力设备增加用户感知到的系统作用力。主动触觉系统的风险在于,动力设备可能会增加过多的作用力,而伤害到用户。被动触觉界面设计有安全选项,使用被动动力设备例如采用磁流变刹车将系统作用力消除,而不是给系统添加作用力。被动触觉界面不仅仅只是安全,也更加节能。
美国佐治亚州技术研究院智能机器动力实验室(IMDL)的研究人员正在研究被动触觉系统的用途。Wayne Book博士和研究生Benjamin Black正在进行的研究,是观察在额外的安全保障下,被动触觉系统是否在远程设备操作上和主动触觉系统有
相同的功效。被动触觉系统的一个主要局限性在于,设备无法被固定在某个地方。而且与主动触觉系统相反,被动动力设备必须指引操作者到期望的地点。Book博士和Black正在尝试开发先进的被动动力设备控制方案来克服这个困难。
使用图形系统设计方法
通过图形系统设计方法,系统设计被分为了几个步骤。图形系统设计引入了图形开发软件工具和现成的硬件加快内嵌控制设备的设计、塑型和配置进度。研究者采用美国国家仪器公司LabVIEW图形软件开发平台,来设计和模拟触觉控制系统和远程操作通讯。将设计的产品配置到实时PXI控制及数据采集系统,来对方案进行测试。测试这种方法的优势在于,Book博士和Black可以避免在配置产品的时候花费精力进行低端内嵌软件开发和个性化硬件设计,而全身心投入到反复试验和设计当中。

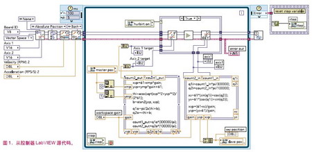
研究者可以迅速地将他们的主从控制器运算法则输入LabVIEW,然后采用高级程序界面装载动力设备和传感器。通过采用实际硬件装载运算法则,他们能够用真实的数据检验理论的正确性。图1显示了研究员操作从控制器位置的图形源码。另外,软件工具提供了高级采集界面,比如timed-loop循环功能。timed-loop循环是一种LabVIEW程序结构,可采集优先权和多线程细节数据。通过这些不同类型的采集方法,工程师和科学家们可以很容易的在他们的软件上应用多线程功能。这给研究员提供了更多时间来完善设计的产品,而不用花时间在低端代码开发上。
硬件设计配置
研究员给PXI模硬件系统配置软件运算法则。这些系统包括确定性的、实时控制器和可接触试验触觉设备传感器的合适的I/O模块。采用LabVIEW实时模块,研究员可以将他们的运算法则配置到PXI控制器上供无头headless操作使用。他们采用即插即用运动控制模块来处理线性从电机,并采用多功能数据采集设备来处理定点传感器。

这项研究的测试仪器采用了二自由度(DOF)操纵器作为主设备控制作为从设备的一自由度(DOF)线性电机。主从设备之间没有物理连接;取而代之的是,PIX实时控制系统与主设备连接,另外一系统与从设备连接,如图2所示。PIX系统1采用了NI LabVIEW上的确定性应用程序,可在伽马力传感器和主操纵器上的光学编码器上读出来。研究员采用该数据来确定主设备位置,并将位置传送给PXI系统2。
PXI系统2采用主设备位置作为定点向LabVIEW设计的4KHz PD(比例微分)控制器输出信号运行线性电机同时在光学编码器上读出位置数据。从设备受物理结构约束运动受阻。从设备位置通过UDP到PXI系统1被传回主设备,将数据加载到决定触觉作用力的控制运算法则中,该触觉作用力应被作用在用户身上,让他们感知物理约束力的存在。该作用力是由磁流变制动器所推动的。系统的目的是让从设备位置追踪主设备位置。
Book博士和Black现在正在通过使用基于LabVIEW的动力系统进行模拟试验和深入研究。使用系统识别技术,研究员可以利用在仿真和反馈试验中采集的实际数据,建立主设备和从设备之间动力数字模拟结构。他们采用结果不等式结合LabVIEW仿真模块,算出了模拟不同控制法则之间反馈的实时公式。这个模拟过程帮助他们在实际应用到触觉设备生产之前,能更快重复性地验证法则。
总结
这个研究的故事再次表明了现在的科技优势如何为未来科技铺路。采用图像系统设计方法,Book博士和Black利用了内嵌开发民主化的优势,实现了突破性的研究。
