一个多功能二阶通用滤波器,能同时或分别实现低通、高通和带通滤波,也能设计成一个正交振荡器。电路的极点频率和品质因数能够独立、精确地调节。电路使用4个运放">集成运放、2个电容和11个电阻,所有集成运放的反相端虚地。利用计算机仿真电路的通用滤波功能、极点频率和品质因数的独立控制和正交正弦振荡,从而证明该滤波器正确有效。
通用二阶滤波器有两种形式,一种是TT(Tow-Thomas)滤波器,另一种是KHN(Kerwin-Huelsman-Newcomb)滤波器。与TT滤波器相比,KHN滤波器不仅能直接实现低通和带通滤波,还能实现高通滤波,应用广泛,是现代电流模式滤波器设计的基础。然而KHN滤波器属于单输入、三输出的通用滤波器,不能实现三输入、单输出通用滤波。由于电阻比有限,因此其Q值不能太高。三个集成运放中,有一个运放的反相端不满足虚地,则对运放提出较高要求。
鉴于KHN滤波器在现代电流模式电路中的地位,提出了另一种形式的KHN滤波器,它不仅能实现单输入、三输出的通用滤波,也能实现三输入、单输出通用滤波,电路的极点频率和品质因数能够被独立、精确的调节,电路也能被修饰成一个正交振荡器。电路包含4个通用集成运放、2个电容和11个电阻,且所有运放的反相输入端均虚地。
1 电路原理
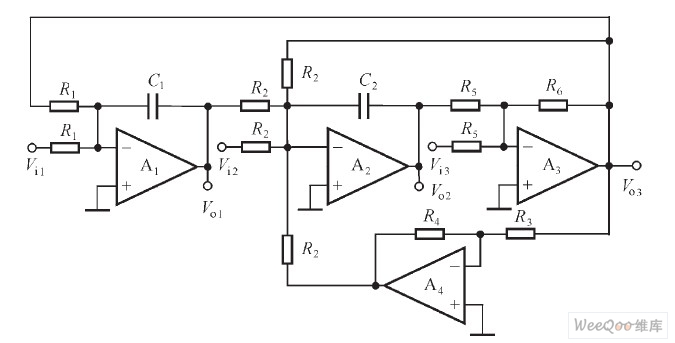
图1给出了由四运放构成的多功能电压模式二阶电路,其中有1个大反馈环和2个小反馈环。

图1 四运放多功能二阶电路
设R1=R2=R,C1=C2=C,R5=R6,使用MASON公式,可得到三环路的增益和为

电路的行列式为

电路的极点频率和品质因数分别为


式(3)表明,通过同步调整R1、R2,可实现极点频率的独立调节,而不影响品质因数。式(4)表明,通过调整R4、R3的电阻比,可实现品质因数的独立调节,而不影响极点频率,从而实现二者的正交调节。值得注意的是,通过调整R4/R3,很容易实现高Q电路,特别是当R4=R 3,Q=∝,这意味着电路变成了一个正弦振荡器,其频率可由R、C调节。
若Vo3=Vo,则从电压源Vi1、Vi2、Vi3到输出端Vo的前向通道增益分别为
,由MASON公式知,相应的传输函数为

由式(5)、式(6)、式(7)可知,若Vo3是输出,则Vi1是低通输入,Vi2是带通输入,Vi3是高通输入。图1所示电路是从一个端口输出信号,从3个端口输入信号的双二次节,分别实现了低通、带通和高通二阶滤波。相应的增益常数分别为GL=-1,GB=Q,GH=-1。
如果Vi3=Vi,则从Vi到输出端Vo3、Vo1的前向通道增益分别为-1和1/sRC,
从Vi到输出端Vo2的前向通道增益和为
,相应的传输函数为

若取R4/R3-1=1,则由式(8)、式(9)可得

由式(8)、式(9)可知,若Vi3是输入,则Vo3是高通输出,Vo1是带通输出。式(10)、式(11)说明,Vo2并不是低通输出,当满足条件R4/R3-1=1时,Vo1+Vo2才是低通输出,这是一个值得注意的问题。所以图1电路也能从一个端口输入信号,从多个端口输出信号的双二次节,同时实现了高通、带通和低通二阶滤波。相应的增益常数分别为GB=-1,GB=Q,GL=-1。
2 计算机仿真
为了验证电路的正确性,在EWB5.O平台上创建图1电路,其中集成运放选用通用运放μA741,这里仅仿真单输入、三输出滤波器。取R1= R2=R=10 kΩ,C1=C2=C=10 nF,R5=R6=1O kΩ,R4=20 kΩ,R3=10 kΩ,则理论给出fo=1.591 5 kHz,Q=1,GB=-1,GB=1,GL=-1。仿真结果如图2所示。用EWB5.0提供的指针可测得:fo=1.584 9 kHz,Q=1.011 3,GH=-1,GB=1.011 3,GL=-1。

图2 单输入、三输出二阶滤波器的仿真结果
为了说明电路的品质因数受电阻比R4/R3,控制,仍取R1=R2=R3=R5=R6=10 kΩ,C1=C2=10 nF,使R4分别为12.5、15、17.5、20 kΩ时,理论给出fo=1.591 5 kHz,Q分别为4、2、1.33、1。用EWB5.0可测得fo=1.629 8 kHz,Q分别为4.069 O、2.031 3、1.350 3、1.010 8,仿真结果如图3所示。

图3 品质因数与R4/R3关系的仿真结果
为了说明电路的极点频率受R1、R2控制,且与R4、R3无关,取R3=R5=R6=10 kΩ,R4=20 kΩ,C1=C2=10nF,使R1=R2=R,分别为1、10、100kΩ时,理论给出Q=1,fo为15.915、1.591 5、0.15915kHz,带通滤波器的频率特性如图4所示。用EWB5.0可测得fo分别为16.3789、1.637 9、0.163 789 4 kHz时,相应的Q分别为1.142 7、1.010 3、0.999 5。显然频率较高时,出现了Q增强现象,这是由于运算放大器的有限增益带宽积造成的。

图4 极点频率与R关系的仿真结果
理论上,当R4=R3,电路变成了振荡器,仿真结果表明R4要稍小于R3,才能维持振荡。取R1=R2=R3=R5=R6=10 kΩ,C1=C2=10 nF,当R4= 9.9 kΩ<R3=10 kΩ,电路振荡,由于Vo2比Vo1超前90°,所以Vo2和Vo1是两相正交正弦波。理论给出fo=1.5924kHz。仿真结果如图5所示。实测fo=1.558 8 kHz。造成频率下移的原因是运算放大器的有限增益带宽积。造成波形失真的原因是无限幅电路,只要给积分器增加二极管限幅电路,即可改善波形。可见计算机仿真结果与理论设计基本一致,说明所设计电路正确有效。

图5 正交正弦振荡器的仿真结果
3 结论
使用4个通用集成运放、2个电容和11个电阻,设计二阶通用滤波器,其参数设置如下:fo=1.591 5 kHz,Q=1,GB=-1,GB=1;GL=-1。该电路既可单输入、多输出同时实现低通、带通和高通滤波,也可以多输入、单输出分别实现低通、带通和高通滤波。电路除具有低的灵敏度外,还具有以下特点:1)电路的极点频率和品质因数能独立调节,容易获得高Q滤波;2)所有集成运放的反相输入端虚地。因而承受的共模电压为O,对运放的要求不高;3)电路还可被调节成一个频率可调的正交正弦振荡器。
