AET网站
资源下载
技术应用
资 讯
电路图
博 客
小 组
云课堂
视频
大学堂
PCB技术中心
登录
|
注册
电路图
您的位置:电子技术应用
电路图频道
基础电路
模拟电路
欢迎查看AET-ChatGPT专题
电子技术应用新基建专题
点击进入忆阻器二极管/三极管/场效应管测试专题
点击进入变压器测试专题
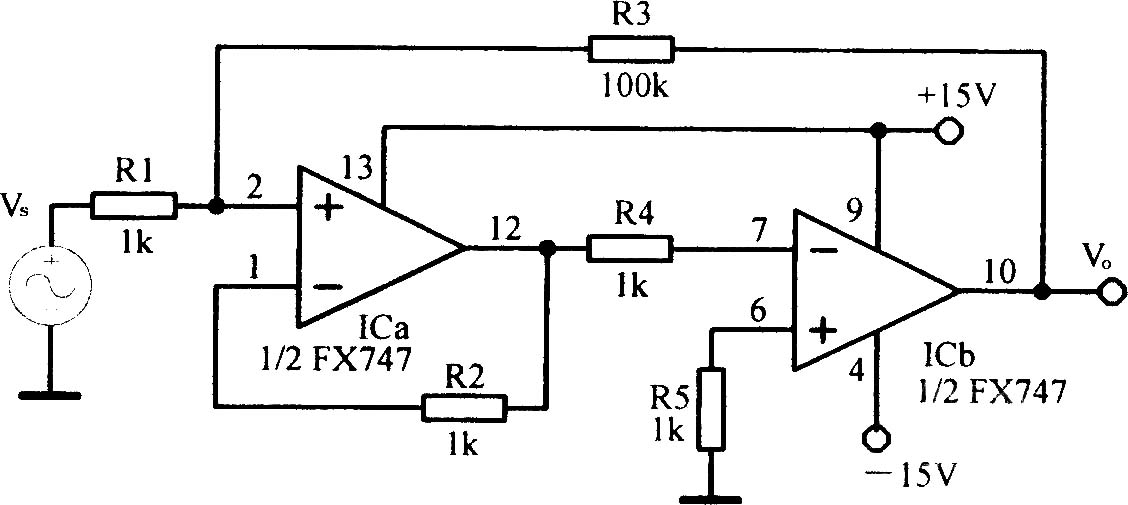
零漂移反相放大电路
2017-11-22 11:09
关键词:
模拟电路
电路
零漂移反相放大
零漂移反相放大电路
欢迎查看AET商业航天专题
电子技术应用杂志过刊一览
点击进入传感器测试专题
新型储能技术专题
模拟电路相关文章
更多 >>
入门:什么是模拟电路?有何缺点?
入门:运算放大器的优缺点 运算放大器的应用范围
高效数字化控制车载电源成为电源业界的研究热点
教程:带迟滞电路的反相/同相比较器的设计步骤
不懂模拟电路设计?如何完成温度信号采集?
模拟电路总结;什么叫差模信号?什么叫共模信号?
入门:传感器常见模拟电路基础知识总结
补齐短板!国产EDA龙头向全流程进发!
模拟电路相关电路图
更多 >>
基于运放的差动放大器
运算放大器的端子及内部功能
零漂移反相放大电路
多个运放并联的电路
基本的运算放大器符号及电源连接
零漂移运算放大电路
电流比较型NORTON四运放MC3301/3401
运放精密调零电路
上传电路图
电路图分类
基础电路
模拟电路
数字电路
接口电路
线性放大
555电路
信号产生
电源电路
稳压电路
开关电源
电池电源
综合电源
传感器电路
温度湿度压力
速度角度位移
气体传感器
液体传感器
物理|光学
消费电子电路
手机电路
电脑电路
消费产品
通信电路
电话电路
遥控电路
无线通信
卫星通信
家用电器电路
厨房电器
房间电器
空调冰箱
电子钟表
音视频电路
音频电路
视频电路
游戏娱乐
控制电路
开关控制
定时控制
保护电路
综合控制
微机单片机电路
光电应用电路
新潮电子电路
电机控制电路
检测测量电路
医疗电子电路
安防电子电路
交通工具电路
工业自动化电路
PLC电路
电力电工电路
特殊应用电路
电子维修
其他行业电路
Copyright © 2005-
2024
华北计算机系统工程研究所版权所有
京ICP备10017138号-2
map