您的位置:电子技术应用
电路图频道
电源电路
开关电源
网络安全+DeepSeek技术沙龙
电子技术应用新基建专题
进入了解AET工业互联网专题
点击了解国有企业数字化转型专题
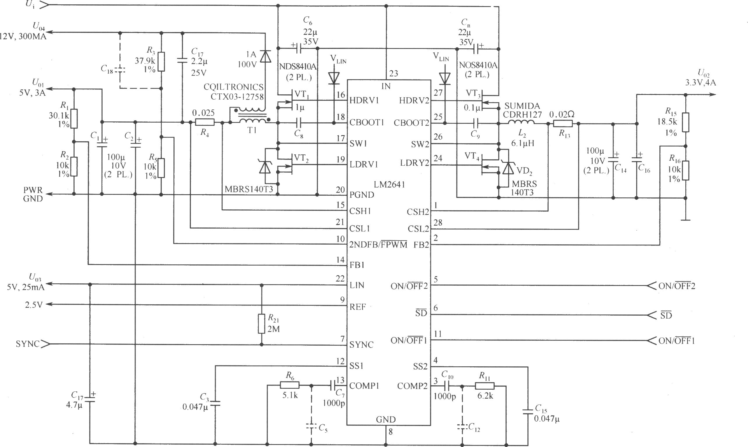
由LM2641构成的输5V/3A,3.3V/4A,12V/0.3A和5V/0.025A的四输出电源电路
2017-03-20 09:59
关键词:
开关电源
电路
LM2641
由LM2641构成的输5V/3A,3.3V/4A,12V/0.3A和5V/0.025A的四输出电源电路如图所示。LM2641是一个双可调降压开关电源控制器,输入电压范围为5.5~30V,2.2~8V双输出可调,工作频率为300kHz,负载调整误差为0.5%。可以软启动,具有欠压和过压保护。
点击进入忆阻器二极管/三极管/场效应管测试专题
《电子技术应用》全年合订本-电子版
点击进入传感器测试专题
点击查看ChinaAET RISC-V专题
相关内容
英飞凌高压超结 MOSFET 系列产品新增工业级和车规级器件
【泰享实测之水哥秘笈】:电源测试的人间烟火,深入浅出谈环路响应测试!
入门:EMC基础-总结
开关模式电源中,当脉冲被忽略时
750W AC/DC超窄机壳开关电源—— LMF750-23BXXUH
光耦在开关电源中的作用
打造稳定可靠开关电源!金升阳亮相慕尼黑华南电子展
在开关电源中光耦的作用及型号推荐
开关电源相关电路图
更多 >>
美格珑796FDⅡ型彩显开关电源(
555彩电开关电源电路
由MC44603P构成的三输出电源电
由MAX1822和74C906构成的1~6通道
由LM2641构成的输5V/3A,3.3V/4
由W78××构成的提高输出电压
上传电路图
电路图分类
基础电路
模拟电路
数字电路
接口电路
线性放大
555电路
信号产生
电源电路
稳压电路
开关电源
电池电源
综合电源
传感器电路
温度湿度压力
速度角度位移
气体传感器
液体传感器
物理|光学
消费电子电路
手机电路
电脑电路
消费产品
通信电路
电话电路
遥控电路
无线通信
卫星通信
家用电器电路
厨房电器
房间电器
空调冰箱
电子钟表
音视频电路
音频电路
视频电路
游戏娱乐
控制电路
开关控制
定时控制
保护电路
综合控制
微机单片机电路
光电应用电路
新潮电子电路
电机控制电路
检测测量电路
医疗电子电路
安防电子电路
交通工具电路
工业自动化电路
PLC电路
电力电工电路
特殊应用电路
电子维修
其他行业电路
Copyright © 2005-
2024
华北计算机系统工程研究所版权所有
京ICP备10017138号-2
map