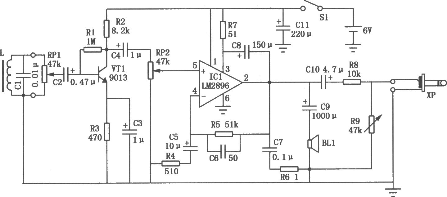
在一些场合(如召开电话会议)需要将电话里的声音加以放大供多人收听,不仅如此,有时还需要对电话里的内容进行录音。本电路能同时满足这两种要求,制作时不需改动电话机,使用时只要放在电话机旁即可。当话音电流在电话机内线圈(耳机线圈或机内感应线圈)中通过时,在附近就存在着与话音电流变化规律完全一致的磁场,如果这时外加一个线圈L在其两端就会感应出与磁场变化规律相同的信号电压,然后再对该信号进行放大处理,就可以推动扬声器供多人收听。感应式电话机扩音器的电路如图所示,图中线圈L将电话机中话音泄漏磁场转换成电信号后,通过电位器RP1的控制进入由三极管VT1组成的前置放大级,然后再通过电容C4和电位器RP2进入功率放大级,由IC1(音频集成功放LM2896)进行功率放大,从IC1②脚输出的信号推动扬声器BL1发出声音。当扬声器阻抗为412时,IC1的输出功率可达5W以上,在一间100m2的房间或会议室,可供几十人收听。为了能将电话内容进行录音,IC1的输出信号还有一部分通过电容C10耦合、电阻R8限流和R9分压后,由插头XP输入到录音机的线路输入端进行实时录音。
