激光在通信领域有着广泛的应用。因为激光也是一种电磁波,而且是一种波长更短的电磁波,所以它也和无线电波一样可以传输声音信号和图像信号。由于激光的散射很小,不像电磁波那样向四周扩散,所以它的保密性很好。
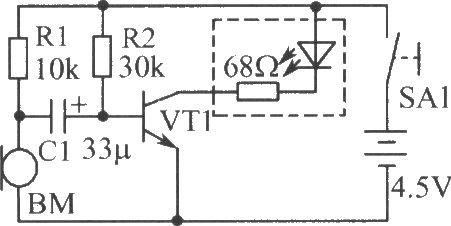
激光通信演示装置发射部分电原理图:
图中,小话筒BM可以将声音信号转变为电信号,电阻器R1为小话筒的工作提供一个工作电压。电阻R2为三极管的直流偏置电阻,保证三极管VT1工作在线性放大状态下。由话筒产生的音频信号通过电容器C1送到三极管VT1的基极,使三极管的基极电流随着音频信号的变化而变化。这样使接在三极管集电极上的激光发射二极管中的电流受到音频信号的调制,通过激光光束把音频信号传输出去。为了便于制作和普及,激光发射二极管选用的是市场上常见的激光笔的笔芯,这种笔芯上已经连接有一只68Ω左右的限流电阻器。
接收部分电原理图:
光信号接收传感器为硫化镉光敏电阻器,这种光敏电阻器有较高的灵敏度,而且使用也很方便。在一般状态下光敏电阻器的阻值是稳定的,当受到经过音频信号调制的激光光束的照射时,它的阻值就会相应地发生变化,使电阻器R3上的电压跟着发生波动。这个波动电压经过放大,最后可从耳机听到声音。电路的前两级采用的是相同的电压并联负反馈电路,由三极管VT2、电阻器R4、R5和VT3、电阻器R6、R7等组成。这种电路结构简单,稳定性好,调试容易。由三极管VT4构成驱动电路,直接带动耳机发声。电阻器R8是负反馈电阻,保证电路直流工作点的稳定,电容器C4是旁路电容器,使音频信号不受负反馈电阻的影响。
元器件选择:激光笔的笔芯一支。VT1~VT4选择9014等NPN型三极管。R选择光敏电阻器,要求光敏电阻器受到光照时的阻值应小于5kΩ,在黑暗情况下阻值应大于1MΩ,可选型号为MG41-22的光敏电阻器。电路的发射与接受部分共用了8只电阻器,全部为(1/8) W碳膜电阻器。其中2.7kΩ、30kΩ和100kΩ的电阻器各两只;100Ω和10kΩ的电阻器各一只。0.033μF电容器和33μF电解电容器各两只;100μF/10V电解电容器一只。小型开关两只,小驻极体话筒一只,耳机一只。
图中,小话筒BM可以将声音信号转变为电信号,电阻器R1为小话筒的工作提供一个工作电压。电阻R2为三极管的直流偏置电阻,保证三极管VT1工作在线性放大状态下。由话筒产生的音频信号通过电容器C1送到三极管VT1的基极,使三极管的基极电流随着音频信号的变化而变化。这样使接在三极管集电极上的激光发射二极管中的电流受到音频信号的调制,通过激光光束把音频信号传输出去。为了便于制作和普及,激光发射二极管选用的是市场上常见的激光笔的笔芯,这种笔芯上已经连接有一只68Ω左右的限流电阻器。
接收部分电原理图:
光信号接收传感器为硫化镉光敏电阻器,这种光敏电阻器有较高的灵敏度,而且使用也很方便。在一般状态下光敏电阻器的阻值是稳定的,当受到经过音频信号调制的激光光束的照射时,它的阻值就会相应地发生变化,使电阻器R3上的电压跟着发生波动。这个波动电压经过放大,最后可从耳机听到声音。电路的前两级采用的是相同的电压并联负反馈电路,由三极管VT2、电阻器R4、R5和VT3、电阻器R6、R7等组成。这种电路结构简单,稳定性好,调试容易。由三极管VT4构成驱动电路,直接带动耳机发声。电阻器R8是负反馈电阻,保证电路直流工作点的稳定,电容器C4是旁路电容器,使音频信号不受负反馈电阻的影响。
元器件选择:激光笔的笔芯一支。VT1~VT4选择9014等NPN型三极管。R选择光敏电阻器,要求光敏电阻器受到光照时的阻值应小于5kΩ,在黑暗情况下阻值应大于1MΩ,可选型号为MG41-22的光敏电阻器。电路的发射与接受部分共用了8只电阻器,全部为(1/8) W碳膜电阻器。其中2.7kΩ、30kΩ和100kΩ的电阻器各两只;100Ω和10kΩ的电阻器各一只。0.033μF电容器和33μF电解电容器各两只;100μF/10V电解电容器一只。小型开关两只,小驻极体话筒一只,耳机一只。
