您的位置:电子技术应用
电路图频道
通信电路
遥控电路
点击进入传感器测试专题
欢迎查看AET双碳专题
新型储能技术专题
点击查看基础电子测试测量培训视频
电风扇红外遥控电路(五)
2016-07-05 15:37
关键词:
红外遥控
电路
电风扇
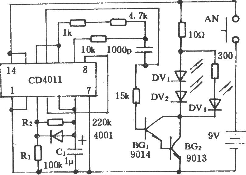
发射器:
接收器:
电风扇红外遥控电路(五)
点击了解国有企业数字化转型专题
AET陪你走进工业以太网
欢迎查看AET新能源汽车电子专题
进入了解AET零信任专题
相关内容
小米10 Lite Zoom曝光:5倍光变+50倍变焦 本月发布
大升级!小度智能音箱1S发布:可红外控制传统家电
Vishay为Minimold红外接收器增加侧开支架
LC7461红外遥控器和解码程序
Vishay的新款微型红外接收器
基于DALI协议的多传感器控制设备设计
基于双DSP结构的动态手势红外遥控系统
基于FPGA的红外遥控密码锁的设计
红外遥控相关电路图
更多 >>
3通道红外遥控开关电路
电风扇红外遥控调速器
电风扇红外遥控电路(五)
电风扇红外遥控电路(六)
电风扇红外遥控电路(四)
电风扇红外遥控电路(三)
上传电路图
电路图分类
基础电路
模拟电路
数字电路
接口电路
线性放大
555电路
信号产生
电源电路
稳压电路
开关电源
电池电源
综合电源
传感器电路
温度湿度压力
速度角度位移
气体传感器
液体传感器
物理|光学
消费电子电路
手机电路
电脑电路
消费产品
通信电路
电话电路
遥控电路
无线通信
卫星通信
家用电器电路
厨房电器
房间电器
空调冰箱
电子钟表
音视频电路
音频电路
视频电路
游戏娱乐
控制电路
开关控制
定时控制
保护电路
综合控制
微机单片机电路
光电应用电路
新潮电子电路
电机控制电路
检测测量电路
医疗电子电路
安防电子电路
交通工具电路
工业自动化电路
PLC电路
电力电工电路
特殊应用电路
电子维修
其他行业电路
Copyright © 2005-
2024
华北计算机系统工程研究所版权所有
京ICP备10017138号-2
map