由LM567作译码器的DTMF红外遥控器

2016-07-05 15:37

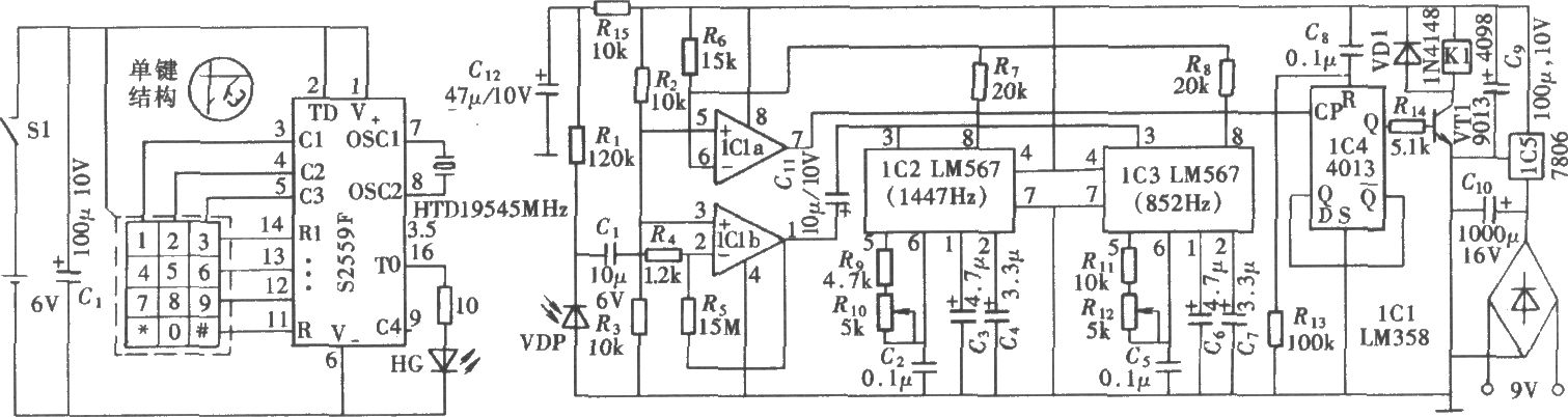
DTMF编码信号除了用专用的译码器译码外,还可采用锁相环音频译码器LM567进行译码。不过,由一只LM567译码后输出的频率信号,也只有一个频率,两只译码器输出的频率才能组成一组控制信号。如图是利用DTMF发射器发出红外遥控信号,通过两个LM567进行译码组成一路控制信号的红外遥控开关。电路由十二通道DTMF编码红外遥控发射器、红外接收电压放大器、通道信号译码器、开关控制器和继电器及其驱动电路组成。

由LM567作译码器的DTMF红外遥控器

由LM567作译码器的DTMF红外遥控器


Baidu
map