AET网站
资源下载
技术应用
资 讯
电路图
博 客
小 组
云课堂
视频
大学堂
PCB技术中心
登录
|
注册
电路图
您的位置:电子技术应用
电路图频道
家用电器电路
房间电器
2025年数据要素治理学术研讨会
点击查看基础电子测试测量培训视频
点击进入忆阻器测试专题
电子技术应用杂志过刊一览
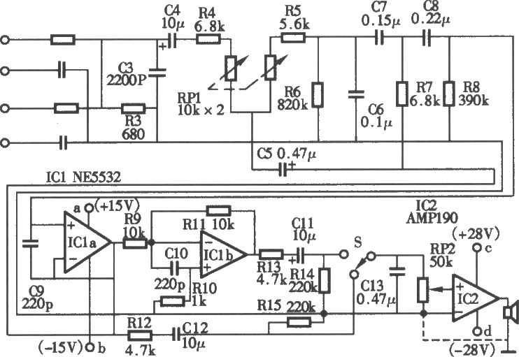
有重低音的有源音箱电路
2016-07-05 15:37
关键词:
收音机
电路
无线电
有重低音的有源音箱电路
网络安全+DeepSeek技术沙龙
电子技术应用新基建专题
技术沙龙-密码技术与数据安全
进入订阅《网络安全与数据治理》杂志
收音机相关文章
更多 >>
电子管功放(胆机)交流噪声概述
Silicon Labs收音机产品系列解决汽车行业性价比挑战
Silicon Labs在汽车电子领域的两大突破
核心部件2个原子大钻石收音机
新型量子位稳定性提高10倍 有助开发更可靠硅基量子计算机
WiFi辐射无处不在 是否会损坏健康
Silicon Labs为轮调收音机设计推出最高集成度的多波段接收器解决方案
单片调幅收音机电路D7641的应用介绍
收音机相关电路图
更多 >>
555红外遥控八选台收音机电路
AF-905型FM/AM微型收音机
简易无线电子琴电路
有重低音的有源音箱电路
单(双)声道高保真有源音箱电路
立体声一体化有源音箱电路
可直接驳接各种音源设备的有源音箱电路
润宝轻骑兵立体声有源音箱电路
上传电路图
电路图分类
基础电路
模拟电路
数字电路
接口电路
线性放大
555电路
信号产生
电源电路
稳压电路
开关电源
电池电源
综合电源
传感器电路
温度湿度压力
速度角度位移
气体传感器
液体传感器
物理|光学
消费电子电路
手机电路
电脑电路
消费产品
通信电路
电话电路
遥控电路
无线通信
卫星通信
家用电器电路
厨房电器
房间电器
空调冰箱
电子钟表
音视频电路
音频电路
视频电路
游戏娱乐
控制电路
开关控制
定时控制
保护电路
综合控制
微机单片机电路
光电应用电路
新潮电子电路
电机控制电路
检测测量电路
医疗电子电路
安防电子电路
交通工具电路
工业自动化电路
PLC电路
电力电工电路
特殊应用电路
电子维修
其他行业电路
Copyright © 2005-
2024
华北计算机系统工程研究所版权所有
京ICP备10017138号-2
map