您的位置:电子技术应用
电路图频道
音视频电路
音频电路
点击进入忆阻器测试专题
进入订阅《电子技术应用》杂志
欢迎查看AET商业航天专题
SDV软件定义汽车技术专题
简易红外线无线耳机电路
2016-07-05 15:37
关键词:
无线耳机
电路
音响
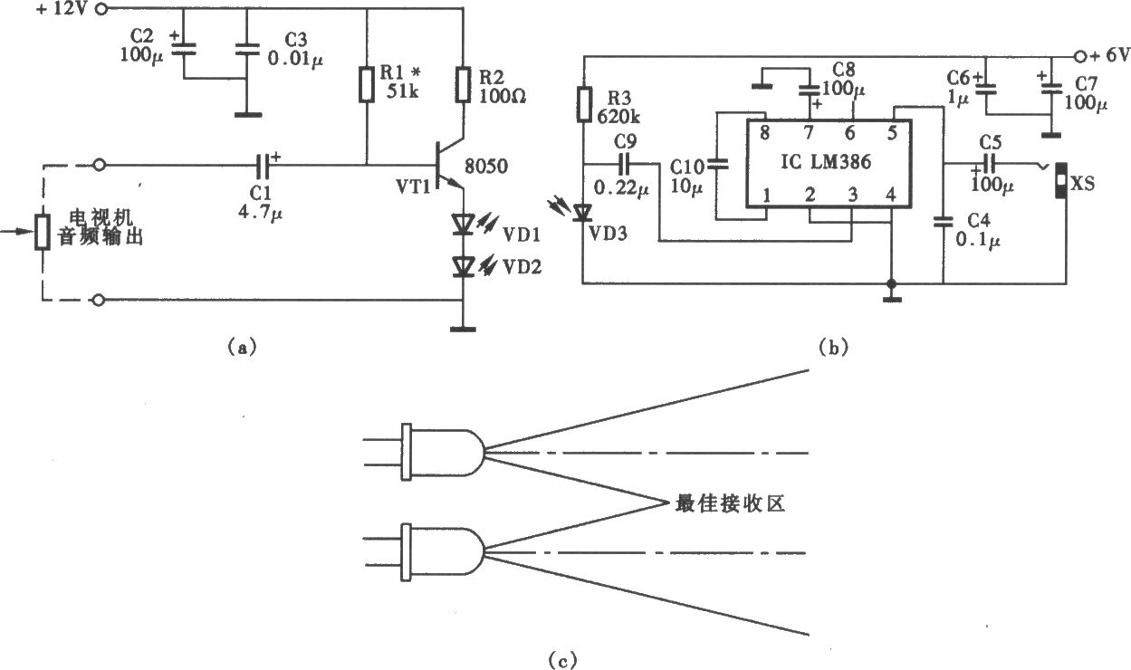
简易红外线无线耳机电路 (a)发射器电路图;(b)接收部分电路图;(c)红外线发光二极管辐射范围
2025中国西部微波射频技术研讨会
电子技术应用新基建专题
点击进入变压器测试专题
《电子技术应用》特约专栏征稿
相关内容
卓越音质,卓越音质,再创舒适体验新标准 森海塞尔推出MOMENTUM 4无线耳机再创舒适体验新标准 森海塞尔推出MOMENTUM 4无线耳机
CEVA 和 Mimi Hearing Technologies合作为真正无线耳机市场推动辅助听力发展
苹果Airpods被蚕食,国内芯片厂商群雄逐鹿
Tronsmart凭借Apollo Bold进军混合式主动降噪真无线耳机市场
纯硅基扬声器迎来性能突破,准备推向市场
AI芯天下丨深度丨TWS蓝牙芯片新变局
iPhone 9配置基本坐实:最快本月就来了
高通发布全新超低功耗蓝牙SoC:真无线耳机音质飞跃
无线耳机相关电路图
更多 >>
宏声GY9601-3型无线耳机电路
简易红外线无线耳机电路
无线耳机电路
上传电路图
电路图分类
基础电路
模拟电路
数字电路
接口电路
线性放大
555电路
信号产生
电源电路
稳压电路
开关电源
电池电源
综合电源
传感器电路
温度湿度压力
速度角度位移
气体传感器
液体传感器
物理|光学
消费电子电路
手机电路
电脑电路
消费产品
通信电路
电话电路
遥控电路
无线通信
卫星通信
家用电器电路
厨房电器
房间电器
空调冰箱
电子钟表
音视频电路
音频电路
视频电路
游戏娱乐
控制电路
开关控制
定时控制
保护电路
综合控制
微机单片机电路
光电应用电路
新潮电子电路
电机控制电路
检测测量电路
医疗电子电路
安防电子电路
交通工具电路
工业自动化电路
PLC电路
电力电工电路
特殊应用电路
电子维修
其他行业电路
Copyright © 2005-
2024
华北计算机系统工程研究所版权所有
京ICP备10017138号-2
map