AET网站
资源下载
技术应用
资 讯
电路图
博 客
小 组
云课堂
视频
大学堂
PCB技术中心
登录
|
注册
电路图
您的位置:电子技术应用
电路图频道
家用电器电路
厨房电器
欢迎查看AET新能源汽车电子专题
何为现代数字城市?
点击了解国有企业数字化转型专题
欢迎查看AET商业航天专题
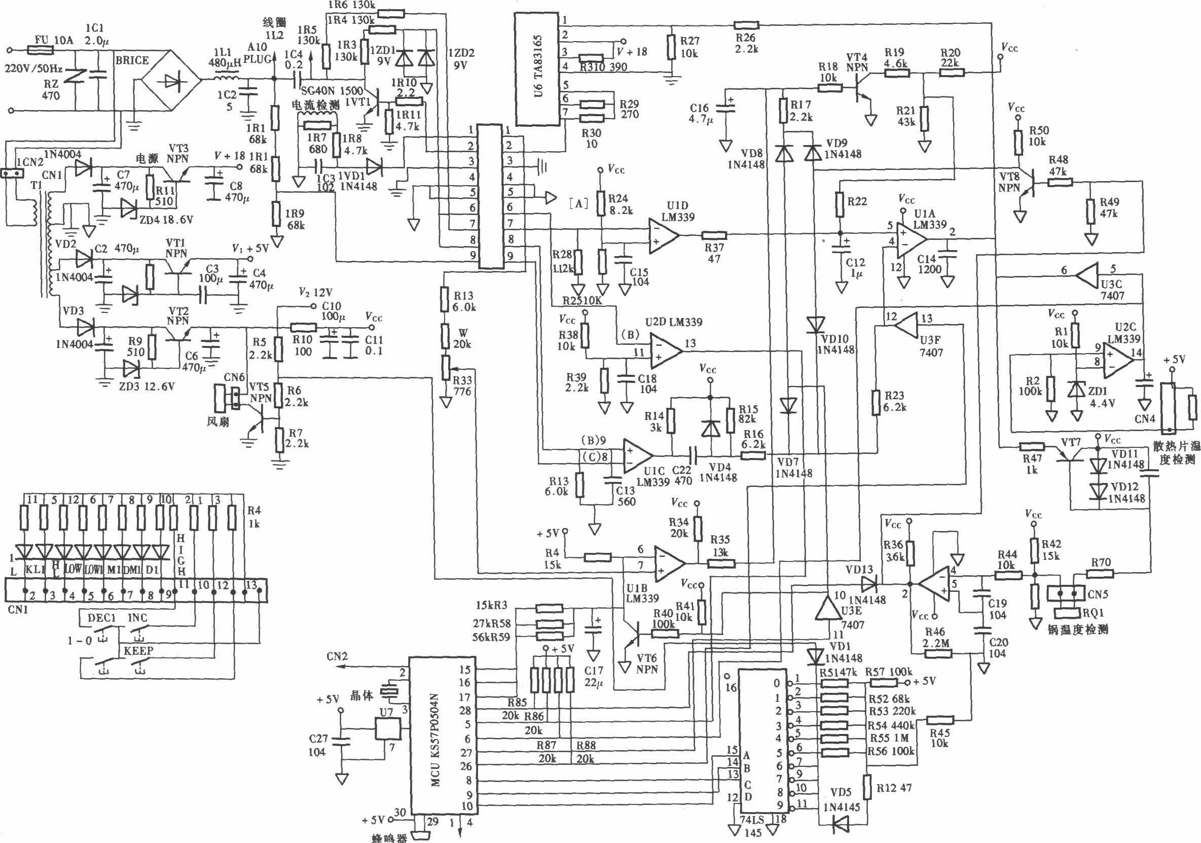
富士宝1H~1000H(700~1300W)电脑式电磁炉电路
2016-07-05 15:37
关键词:
电磁炉
电路
富士宝
富士宝1H~1000H(700~1300W)电脑式电磁炉电路
欢迎查看AET-ChatGPT专题
北斗导航系统的应用前景和案例展示
进入订阅kaiyun官方注册杂志
点击进入电阻/电容/电感测试专题
电磁炉相关文章
更多 >>
智能门锁触摸芯片如何选型以及型号推荐
应用在电磁炉触控面板中的电容式触摸芯片
暖心服务最省心!松桥电器全力打造全方位专业配送、售后服务
电磁灶抽检不合格 如何选购才称心如意?
同为知名歌手兼大厨 雷军谢霆锋联手打造米家电磁炉
九阳发布首款防辐射电磁炉,守护家人远离辐射危害
小米发布“小米有品·家” 多款智能家居产品让“家”更有味道
电磁炉是怎么实现给食物加热的
电磁炉相关电路图
更多 >>
海乐DZC-1000W电磁炉电路
一电磁炉电路
CHV-CMI48616型电磁炉电路
欧林牌电磁炉电路
HF-10A型电磁炉电路
富士宝1H~1000H(700~1300W)电脑式电磁炉电路
永华牌M0-88型电磁炉电路
松下KY-P2N电磁炉电路
上传电路图
电路图分类
基础电路
模拟电路
数字电路
接口电路
线性放大
555电路
信号产生
电源电路
稳压电路
开关电源
电池电源
综合电源
传感器电路
温度湿度压力
速度角度位移
气体传感器
液体传感器
物理|光学
消费电子电路
手机电路
电脑电路
消费产品
通信电路
电话电路
遥控电路
无线通信
卫星通信
家用电器电路
厨房电器
房间电器
空调冰箱
电子钟表
音视频电路
音频电路
视频电路
游戏娱乐
控制电路
开关控制
定时控制
保护电路
综合控制
微机单片机电路
光电应用电路
新潮电子电路
电机控制电路
检测测量电路
医疗电子电路
安防电子电路
交通工具电路
工业自动化电路
PLC电路
电力电工电路
特殊应用电路
电子维修
其他行业电路
Copyright © 2005-
2024
华北计算机系统工程研究所版权所有
京ICP备10017138号-2
map