将充电器的输出插头插入手机中并接通市电,充电器电源指示灯亮,手机也能显示充电指示,但几秒钟后消失,且一直不能正常充电。而每次接通市电时充电器均有充电指示,应说明接插件无问题。测充电器输出插头确实无电压,故可排除手机内部故障的可能性。

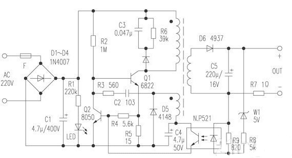
拆开充电器,根据实物绘出的电原理图如附图所示。接入市电测充电器输出电压5V左右,但是其电压在慢慢地降低。故怀疑某元件性能不良。遂换掉开关管、光电耦合器及Q2,故障依旧。然后通电测试Q1基极电压,其值从0.4V降到0V,怀疑启动电阻R2开路,测其阻值,果然已是无穷大。更换该电阻后,故障排除。
