照相机电子测光系统电路图

2016-07-01 20:32

      c041a34bda4885b5297d6f0f82139a7e

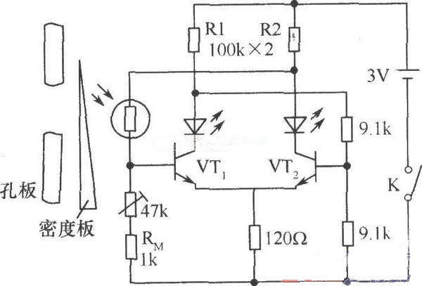
        在中挡照相机中,CdS光敏电阻作电子测光元件。光线从孔板照射在CdS光敏电阻上,移动密度板,使电路达到平衡,两个LED发光二极管发光均匀,表示适曝。如只有其中一只亮而另一只不亮,则表示欠曝或过曝,这时移动密度板,可达到正确曝光的目的。电路中的热敏电阻RM(1kΩ)起温度补偿作用,以补偿光敏电阻的温度变化而引起的误差。




Baidu
map