0 引言
运算放大器广泛应用在各种电路中,不仅可以实现加法和乘法等线性运算电路功能,而且还能构成限幅电路和函数发生电路等非线性电路,不同的连接方式就能实现不同的电路功能。集成运放" style="color: blue; text-decoration: underline" title="运放">运放将运算放大器和一些外围电路集成在一块硅片上,组合成了具有特定功能的电子电路。集成运放体积小,使用方便灵活,适合应用在移动通信和数码产品等便携设备中。
线性特性是考查具有放大功能的集成运放和接收射频" style="color: blue; text-decoration: underline" title="射频">射频前端电路的一个重要参数,并且线性范围对集成运放的连接方式也有很大影响。集成运放的线性范围太小,就会造成输出信号产生多次谐波和较大的谐波功率,严重地影响整个电路的功能。基于集成运放的非线性分析,可以发现造成电路非线性失真的原因,并且在不改变电路设计的前提下,通过改变集成运放的连接方式,达到实现集成运放正常工作的目的。本文设计优化的集成运放电路应用于定位系统射频前端电路,完成对基带扫频信号的放大输出,能有效抑制了集成运放谐波的产生,实现射频接收前端电路的高增益,提高对后端电路设计部分的驱动能力。
l 差分电路的接入方法和集成运放的非线性参数
通用集成运放电路由:偏置电路、输入级、中间级和输出级等组成。其输入级部分由差分电路构成。差分电路有双端输入和单端输入两种信号输入方法;偏置电路可以采用单电源和双电源两种供电方式。在移动通信或便携设备中,一般采用单电源供电方式,单电源供电的集成运放要求输入信号采用单极性形式,即输入信号始终是正值或是负值,差分输入级可以用来保证输入中间级电路的信号极性,同时差分输入级放大电路可以有效抑制共模信号,增强集成运放的共模抑制比。但是,当共模输入信号较大时,差分对管就会进入非线性工作状态,放大器将失去共模抑制能力,严重影响到集成运放的共模抑制比。
集成运放的非线性特性参数除了最大共模输入电压外,输出电压、输出电流、最大输出压摆率和最大输入压摆率等也是关系到其非线性特性的重要指标。由于集成运放的输出级晶体管存在一定的饱和压降,其最大输出电压都要比电源电压小1~2 V,甚至更小。压摆率就是电压的转换速率,是集成运放在大信号和高频信号工作时的一项重要指标。压摆率越高,集成运放的电压反应速度越快,越能保证运放在更高频率下工作;相反,如果压摆率太低,运放的输出电压无法即时地跟随阶跃输入电压的变化,输出信号就会出现失真,表现出集成运放的非线性特性。无论单电源供电,还是正负电源供电,集成运放的最大共模电压一般比电源正、负电压各低2 v左右;对于3.3 V单电源供电的集成运放,其最大共模输入电压范围非常小,所以集成运放在使用低电源供电的情况下,一定要考虑输入共模信号的影响。
2 双端输入集成运放AD8062" style="color: blue; text-decoration: underline" title="AD8062">AD8062的电路应用
在接收机射频前端电路中,现代混频器内部集成了运算放大器的功能,但是内部集成的运算放大器输出阻抗较高,使得混频器后端负载的驱动能力不强,同时电压增益也容易受到负载阻抗变化的影响。为了实现接收机能够接收大动态范围的信号,射频前端采用了增益控制放大电路;同时,考虑到接收机高灵敏度的要求,使用固定增益集成运放对微弱信号进行再放大,以保证接收到的信号达到A/D采样的最低门限。集成运放AD8062具有很高的输入阻抗和较低的输出阻抗,能够保证下变频后信号的高效传输,并且能够有效提高负载的驱动能力。为了满足整个电路系统的增益设计要求,接收前端对下变频后的基带信号进行放大便显得尤为必要。
2.1 AD8062主要性能介绍
输出电压摆动为6 mV;3 dB带宽为500 MHz;电压摆率为800 V/μs;差分放大相位误差为O.04°;电源电压为2.7~8 V。AD8062是双集成运算放大器,可以同时对两路信号进行放大输出。共模输入电压范围也较大,能够在低电源电压供电电路中使用;输出端采用轨对轨(Rail to Rail)反馈放大器方式,扩展了输出电压范围,更加方便了AD8062的使用。相比于同类型电流反馈放大器,AD8062具有较宽的信号输入带宽和较高的压摆率特性,适合应用在扩频通信电路中。
2.2 AD8062电路实现和应用
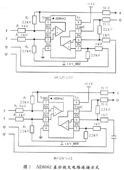
在下面的电路设计中,AD8062采用单电源3.3 V供电方式,输入端使用的是I/Q两路正交信号,用于测试的输入信号是单频信号,输入信号功率范围为-28~-12 dBm,信道带宽5 MHz。集成运放的电路设计应用在ISM" style="color: blue; text-decoration: underline" title="ISM">ISM频段定位系统的接收射频前端电路,在AD8347对I/Q正交射频信号下变频后,对基带信号进行放大输出。AD8062差分放大采用的是双端输入单端输出的方式,I/Q两路双极性信号经集成运放合并后传输给A/D变换器进行采样。当接收信号为跳频信号时,AD8062电压的变化速率很快,能够即时跟随阶跃电压的变化。最初的设计采用图1(a)所示的电路连接方式,其中设计的MIMO系统接收射频前端曾有应用,在MIMO系统中采用的是单电源5 V供电方式,输入信号频率范围为0~5 MHz,功率为-12 dBm。上述条件下,放大器的功率增益为11 dB,信号输出的谐波失真小于-40 dBc,满足接收机灵敏度和后端A/D采样的要求。然而,AD8062的连接方式直接用于3.3 V单电源,当输入信号频率为1 MHz时,电路的输出特性如图2和图3所示。



AD8062的差分放大电路连接方式1,集成运放I/Q两路双极性输入的电压信号大小相等,符号相反,理论上经下变频器输出的双极性信号到AD8062的增益(dB)由下式计算得到:

在下变频器输出信号为-28 dBm的情况下,由图2可以看出AD8062的增益为11 dB左右,信噪比为20 dB左右,该增益基本满足理论计算值。但是,当下变频器输出信号为-12 dBm时,输入到AD8062信号的各次谐波功率均大于-50 dBc。由图3可发现,在AD8062的大信号输入时AD8062的非线性特性使得输出信号严重失真,5 MHz信号带宽内二次谐波为-10 dBc,信号输出功率不能满足理论计算值。AD8062的严重带内谐波失真,使得后端无法检测到有用的信号,造成了这种电路无法正常使用。
2.3 AD8062的非线性分析和电路优化
在集成运放的非线性参数中,单频输入信号电压的变化速率很低,基本不用考虑AD8062的压摆率特性是造成谐波失真的原因。考虑到单电源集成运放在电源电压变小时,其最大共模输入电压范围也会变小,电路连接方式1产生的谐波失真与最大输入共模电压有很大的关系。A-D8062允许输入信号的最大共模电压范围为(-Vs—O.2 V)~(+Vs—1.8 V),电源电压越小,AD8062的最大共模输入电压范围越小,若超出这个最大范围,芯片就可能被烧毁。另外,关系到集成运放非线性参数的共模输入电压范围还要小于上述范围。在单电源5 V电压供电的电路中,允许输入信号的最大共模电压范围为-5.2~+3.2 V,然而在单电源3.3 V供电的电路中,该范围为-3.5~+1.5 V。电源电压的减少,使得AD8062的最大输入共模电压范围有所减少,这可能是造成集成运放非线性失真的原因。连接方式l的信号输入端没有隔直电容,必然造成集成运放对直流信号的放大,这就会出现输出信号的谐波失真。这是因为当直流电压超出最大输入共模电压范围时,集成运放的静态工作点发生了较大偏移,差分对管中的一管输出电流趋于饱和,另外一管的输出电流趋于截止,两管的输出电流之差不再跟随输入信号发生变化,而表现出集成运放的限幅电路特性,造成集成运放在大信号输入时输出信号的非线性失真。由此可以判断,在大信号输入的情况下,AD-8062的峰值超过了输入共模电压范围。为了解决共模电压过大的问题,对上述电路进行优化设计,即在连接方式2的集成运放的负项输入端加入隔直电容,其连接如图1(b)所示。
AD8062的差分放大电路连接方式2中,隔直电容可以有效减小输入到反相端的直流电压,同时通过交流有用信号,这样就减小了集成运放的输入共模电压,保持了差分电路在静态工作点的较大线性范围,差分对管的输出电流能够线性跟随输入信号变化。隔直电容的加入除了对低频信号有些影响外,输入集成运放的差模电压能够高效传输给A/D变换器。在设计的ISM频段定位系统时,使用基带扫频信号最低频率为100 kHz,这样就能最大程度地降低隔直电容对低频信号的影响。优化电路的特性频谱特性如图4和图5所示。

连接方式2与方式1的频率输入条件相同,在输入单频信号功率为-28 dBm时,优化电路的集成运放增益大于11 dB,并且对带外噪声有了更大的抑制作用,信噪比也比连接方式1提高了1 dB。在输入单频信号功率为-12 dBm时,由于共模输入电压的减小,使得AD8062能够工作在线性范围,各次谐波功率均小于-45 dBc,输出信号功率也有了4 dB提高。优化电路成功地完成了在射频接收前端的试验测试,能够为后端电路检测信号提供较大的信号功率。而满足A/D采样门限要求。
同时,在ISM频段定位系统整体测试中,AD8062的使用能够使得接收射频前端达到接收机灵敏度的要求,信号处理部分能够正确捕获定位数据。在试验调试中发现,双集成运放AD8062的I/Q两路输入信号功率不能有太大的偏差,否则,电路不能正常工作。在设计的定位系统射频前端电路中,采用正交下变频器AD8347的I/Q两路信号输出功率偏差较小,AD8062能够满足设计要求。
3 结语
通过对集成运放连接电路的非线性分析,找到了AD8062产生谐波失真的原因,并且优化设计了新的电路连接方式。这种优化电路设计在不改变集成运放增益的前提下,使接收射频前端的灵敏度提高了1 dB,大大提高了整个系统的动态范围,并且能够保证接收机在大信号输入时的谐波失真小于-50 dBc。在ISM频段定位系统的设计中,优化设计电路输出信号信噪比和功率大小均能满足A/D的采样要求,能够为后端定位检测算法提供相关数据。在不同条件和不同电路的设计系统中。集成运放的应用同样会出现非线性失真问题,上述集成运放的非线性分析方法具有一定的参考价值。
