引言
随着人们对大屏幕彩电的需求不断增加,等离子显示器(PDP) 由于其体积小、视角宽、主动发光、亮度高、环境适应性好等独特的优点,在竞争中占有相当的优势,随着价格的降低,它必将进入家庭,有着巨大的市场需求。等 离子显示器主要由显示屏、屏蔽玻璃、电源、数字电路、驱动电路、外壳等部件组成,其中电源担负着屏内所有电路和显示屏的供电,其技术含量高,功能复杂,为 满足等离子显示器的安全要求,需要进行精心设计和严格测试。
电源输出特性
为了适应全球输入电压范围,交流输入电压为85~276V,经过EMI滤波、整流后采用有源PFC作电压预调整,共有8路输出电压:地址驱动电源Va,屏驱动电源Vs,逻辑控制电源Vcc,辅助电源(3路),风扇电源,待机电源Vsb,其主要输出特性如下:
屏驱动电源(Vs)输出:165~185Vdc(可控),自动设置,Vs=165+10×Vrs,Vrs为参考电压,在0~2V之间,由PDP提供,平均电流Is为1.5A,瞬时最大电流Isp为12.0A;
地址驱动电源(Va)输出:55~65Vdc(可控),自动设置,Va=55+5×Vra,Vra为参考电压,在0~2V之间,由PDP提供,平均电流Ia为1.8A,瞬时最大电流Iap为3.0A;
逻辑电路电源(Vcc)输出:5Vdc(可控),瞬时最大电流Icp为5.0A;辅助电源输出:+5V,3.5A;+12V,1A;-5V,0.5A;12V风扇电源(Vfan):电流为0.5~1.0A;5V待机电源(Vsb):电流为0.5~1.0A。
地址驱动电源Va和屏驱动电源Vs分别受PDP控制,而且有时序要求,所以采用两个独立DC/DC变 换器;对于待机电源Vsb,在PDP不工作即其他所有输出均关断时仍然工作,所以Vsb采用一个独立的DC/DC变换器;Vcc与Vs和Va是共地的,为 避免地线上的干扰,辅助电源组采用单独一组DC/DC变换器,输出内部共地,同时为了避免差频干扰,对大功率的Va和Vs变换器采用频率同步的工作方式 (同步于PFC电路)。各变换器的逻辑关系及工作时序如下:
a.交流上电后,待机电源Vsb开始工作;
b.遥控开机后,先吸合继电器,PFC输出直流电压,辅助电源、PDP逻辑控制电源Vcc工作;
c.屏控电路初始化后,发出可启动高压驱动开启电平Vrr到PDP电源,Va和Vs启动工作;
d.遥控关机时,屏控电路先关闭Vs和Va,后关Vcc和辅助电源;
e.遥控关机后,待机电源仍然工作,以便下一次的启动。
其开关机时序如图1(a)、(b)所示。

(a) 开机时序

(b) 关机时序
图1 开关机时序图
图1中的t1为PDP电源内部高低压之间的启动延时,大约为110ms,Vrr是高压封锁信号,在Vrr为高电平之后即有高压输出,图中的t3 表示Vs(165V)的软启动时间,大约为300~800ms,而Va(65V)无软启动。t4和t5仅代表关机时的先后顺序,其本身数值的大小和负载的 情况密切相关,在满载情况下t4大约为450ms,t5大约为260ms。Vs和Va变换器是一起开机、一起关机,当前两路中有1路保护(过流、过压、过 热)时,则将该两路变换器全部关断,但不关Vcc变换器。当Vcc变换器发生故障时,将Vs和Va变换器与Vcc变换器同时关断,整个电源的结构框图如图 2所示。

图2 结构框图
电路设计
为了满足PDP电源的上述特性要求,每种电源都需要不同的电路结构,下面详细论述各个电路的设计。
EMI电路、有源功率因数校正电路和待机电源
为了满足全球化需要,PDP电源必须满足各个组织的EMI测试要求,根据阻抗匹配采用了如图3所示拓扑结构的EMI滤波器,经过参数优化和 PCB优化,其传导辐射通过了CLASS B标准,有源功率因数校正电路采用了UC3854作为主控芯片,功率因数达到99%,待机电源采用PI公司的专用待机电源芯片构成单端反激变换器。

图3 交流输入滤波电路拓扑
辅助电源
辅助电源采用UC3844组成单端反激变换器,电压分别为一组5V/3.5A、-5V/0.5A,一路12V/0.5A,一路12V/1.0A,5V主控。
地址驱动电源Va和屏驱动电源Vs
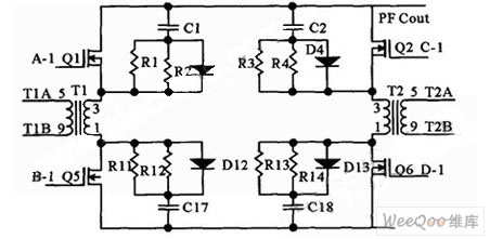
此两路电源功率都比较大而且受控,因此采用两路相同结构的独立双管双正激变换器。我们以地址驱动电源Va为例进行设计,该路功率为120W,输 出55~65Vdc(可控),自动设置,Va=55+5×Vra,Vra为参考电压,在0~2V之间,由PDP提供。当Vra为2V时,对应 Va的输出为65V。其控制电路采用SG3525芯片,把Vra电压经过分压和滤波处理后加到SG3525的1脚上对输出电压控制。主拓扑采用双管双正激 变换器,特点是器件应力小,不存在剩磁问题,电路简单,避免直通问题,图4为双管双正激变换器的原理电路。

图4 双管双正激变换器的原理电路
