1、引言
山东新汶矿务局协庄煤矿井下暗井550绞车,原老系统电网电压为6kV,电机功率260 kW。原提升机的动力由绕线式电机提供,采用转子串电阻调速。
将高压四象限运行、矢量控制、能量反馈型变频技术、PLC提升机电控技术应用在井下斜井提升机上,并满足《煤矿安全规程》及《矿用一般型电气设备》的要求,使设备达到各项安全保护标准,稳定运行,是矿井井下斜井提升机安全、可靠、高效提升的有效途径。
领取高压变频器矿用一般型KY认证时,从国家煤炭防爆安全产品质量监督检验中心获悉,国内外至今没有应用于我国煤矿井下提升机的高压提升机变频器,合康亿盛在这个领域是开拓者。
拆分的变频器在井下重新安装
2、技术比较
a、交流调速系统转子串电阻调速方式
交流电机因为其结构简单、体积小、重量轻、寿命长、故障率低、维修方便、价格便宜等诸多优点得以广泛应用,但交流单机、双机拖动的提升系统以前采用绕线电机转子串电阻的调速方式,现已基本淘汰完,此调速方式存在的问题如下:
(1) 提升机在减速和爬行阶段的速度控制性能差,经常造成停车位置不准;
(2) 提升机频繁的起动、调速和制动,在转子外电路所串电阻上产生相当大的功耗;
(3) 电阻分级切换,实现有级调速,设备运行不平稳,引起电气及机械冲击;
(4) 再生发电时,机械能回馈电网,造成电网功率因数低。尤其在供电馈线较长的应用场合,会加大变压器、供电线路等方面的投资;
(5) 低速时机械特性较软,静差率较大;
(6) 起动过程和调速换挡过程中电流冲击大,制动不安全不可靠,对再生能量处理不力,斜井提升机运行中调速不连续,容易掉道,故障率高;
(7) 中高速运行震动大,安全性较差;
(8) 接触器频繁投切,电弧烧伤触点,影响接触器的寿命,设备维修成本较高;
(9) 绕线电动机滑环存在的接触不良问题,容易引起设备型事故;
(10)设备体积大,发热严重使工作环境恶化(甚至使环境温度高达60℃以上);
(11)设备维护工作量大、维护费用高,故障率高。矿用生产是24h连续作业,即使短时间的停机维修也会给生产带来很大损失。
b、高压变频调速方案
为克服传统交流绕线式电机串电阻调速系统的缺点,采用高压变频调速技术改造提升机。
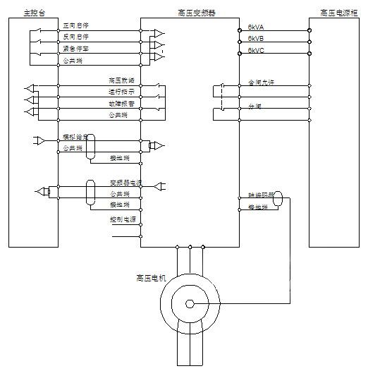
改造方案:根据现场工况,将老电控及电阻调速装置全部拆除,更换新的电控系统,增加一套高压变频器。变频器与PLC电控硬连接方案
变频器和PLC电控采用硬连接:电控把开关量正向起停、反向起停、紧急停机、模拟量频率给定送给变频器,可以控制变频器运行;变频器把开关量运行、故障、就绪、模拟量输出电流、输出频率给电控系统,即可以正常工作。配合如下图所示。

变频器与PLC电控硬连接
3、技术改造总目标:
(1)提高主井提升机的效率,实现节电的目的技术改造完成后,将现有的转子串电阻的转差功率消型调速方式改为变频变压的转差功率不变型调速方式。在正常工况下,现有的大功率调速电阻群将不再使用,实现节电的目的。
(2)提高系统的运用可靠性、安全性技术改造完成后,由于在正常工况下不再使用大功率调速电阻群,切换电阻用的接触器将不再工作,较大幅度地减少电气和机械故障对生产的影响。
由于电压和频率均连续可调,电动机的起动电流可得到有效控制,转矩冲击将不再存在,这将明显地减少当前的有级调速系统容易出现的齿轮箱和钢丝绳等设备的机械故障。
(3)提升系统改造后单次提升循环时间小于现有单次提升循环时间。
(4)重斗上行时,电机的电磁转矩必须克服负载阻转矩,起动时还要克服一定的静摩擦力矩,电机处于电动工作状态,且工作于第一象限。在重斗减速时,虽然重车在斜井面上有一向下的分力,但重车的减速时间较短,电机仍会处于再生状态,工作于第二象限。当另一列重车上行时,电机处于反向电动状态,工作在第三象限和第四象限。用能耗制动方式将消耗重力势能;用回馈制动方式,可节省这部分电能。在用变频器驱动时需将原转子串电阻部分全部短接。提升机在运行过程中,井下和井口必须用信号进行联络,信号未经确认,提升机不能运行。为安全性考虑,液压机械制动需要保留,并在运行过程中实现液压机械制动和变频器的制动无缝结合。同时,还使用高精度测速编码器(每转1000脉冲)进行运行时机斗的位置及速度精准闭环反馈,保障运行安全。提升机传统的操作方式为,操作工人坐在煤矿井口操作台前,手握操纵杆控制电机正、反转多档调速。为适应操作工人这种操作方式,变频器可采用角编码器与手握操纵杆相连,即手握操纵杆的角位移对应角编码器的速度给定,可实现电机0到最大速度无级调速给定。当然变频器还可实现按钮启动和自动提升。
4、变频调速提升系统的优点
(1)提升机系统安全得以提高,操纵更加容易系统能自动高精度地按设计的提升速度图控制提升速度,极大地降低了提升机的操纵难度;减速时电力制动自动减速,提升机司机无需再用施闸手段控制提升机减速,避免了超速、过卷的发生,杜绝了人工操作失误。
(2)提升系统电能消耗明显下降每年可节约电能消耗约20%一50%。变频调速时转子电阻被短接,加、减速阶段消耗在电阻上的大量电能被节约。
(3)功率因数显著增加功率因数将从转子串电阻调速的0.8左右提高到0.96以上,大大提高了设备对电网容量资源的利用率,减少了因无功电流引起的线路损耗。
(4)生产效率进一步提高能可靠的按系统设计的最短时间加、减速,显著缩短了一次提升时间,提高了生产效率。彻底解决了传统系统中用制动闸施闸或电机断电自然减速来操控低速运行时速度波动大、难于控制又不安全的难题。
(5)电机发热大幅减轻与转子串电阻调速相比电机定子温度平均下降了10℃左右,转子温度平均下降了20℃左右,使电机运行的故障率大幅度减少。
(6)系统维修量大幅度减少由于实现了提升全过程的电力牵引与电力制动,机械闸只有在停车和安全回路保护动作时才起作用,因此闸瓦的磨耗大幅度减少。由于变频运行机械特性很硬,不易发生钢绳打滑,这将明显减少钢绳和钢绳衬垫磨损。由于电压和频率均连续可调,电动机的起动电流可得到有效控制,转矩冲击不再存在,明显地减少转子电阻有级变速出现的齿轮箱和钢丝绳等设备的机械故障,减少了设备的维修量和维修费用。
5 结束语
变频改造后,调速平稳,高效安全,提升机绝大部分时间都处在电动状态,节能十分显著,经测算节能30%以上,节电经济效益巨大。变频调速无疑是提升机调速首选方式。
