您的位置:电子技术应用
电路图频道
音视频电路
音频电路
网络安全+DeepSeek技术沙龙
《电子技术应用》特约专栏征稿
新型储能技术专题
进入订阅《电子技术应用》杂志
感应式无线耳机
2016-07-05 15:37
关键词:
耳机
电路
音响
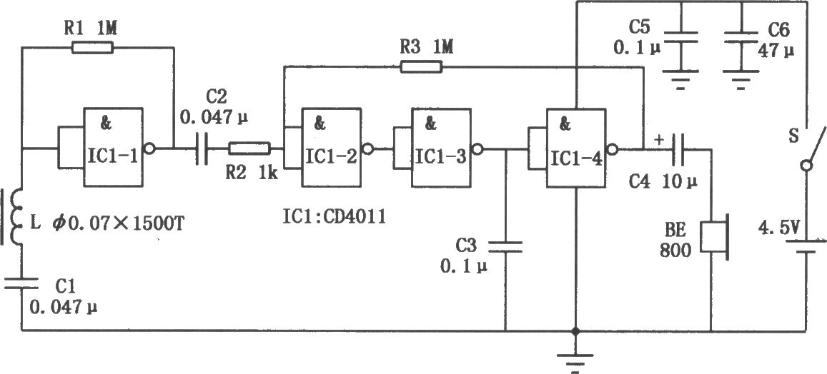
感应式无线耳机广泛用于电化教学、家庭电视和音响的音频信号无线接收,使用时既可消除耳机接线带来的不便,又可避免对他人休息、学习的干扰。本电路主要由四与非门集成电路CD4011及少量外围元件组装而成,电路简单、音质优良、不用调试、一装即成。
电子技术应用新基建专题
技术沙龙-数据要素资产化为网络安全行业带来的新发展机遇
欢迎查看AET商业航天专题
2025中国西部微波射频技术研讨会
相关内容
华为详解耳机空间音频技术原理
大联大品佳集团推出基于达发科技(Airoha)产品的LE Audio耳机方案
通勤路上的美好伴侣:倍思H1s头戴式蓝牙耳机
十年前的布局能否助歌尔在今朝突围?
苹果要求供应商将部分耳机产能转移至印度
CJC8988带2个立体声耳机驱动器的低功率立体声编解码器
出售假冒“华为”耳机,华为起诉网店擅用其商标获赔100万
EPOS音珀连推三款获奖游戏耳机新品
耳机相关电路图
更多 >>
立体声耳机频响测试仪
耳机电路
感应式无线耳机
LM4916单声道立体声耳机放大器
LM4921用于双声道耳机放大器的
LM4915伪差动单声道耳机放大器
上传电路图
电路图分类
基础电路
模拟电路
数字电路
接口电路
线性放大
555电路
信号产生
电源电路
稳压电路
开关电源
电池电源
综合电源
传感器电路
温度湿度压力
速度角度位移
气体传感器
液体传感器
物理|光学
消费电子电路
手机电路
电脑电路
消费产品
通信电路
电话电路
遥控电路
无线通信
卫星通信
家用电器电路
厨房电器
房间电器
空调冰箱
电子钟表
音视频电路
音频电路
视频电路
游戏娱乐
控制电路
开关控制
定时控制
保护电路
综合控制
微机单片机电路
光电应用电路
新潮电子电路
电机控制电路
检测测量电路
医疗电子电路
安防电子电路
交通工具电路
工业自动化电路
PLC电路
电力电工电路
特殊应用电路
电子维修
其他行业电路
Copyright © 2005-
2024
华北计算机系统工程研究所版权所有
京ICP备10017138号-2
map