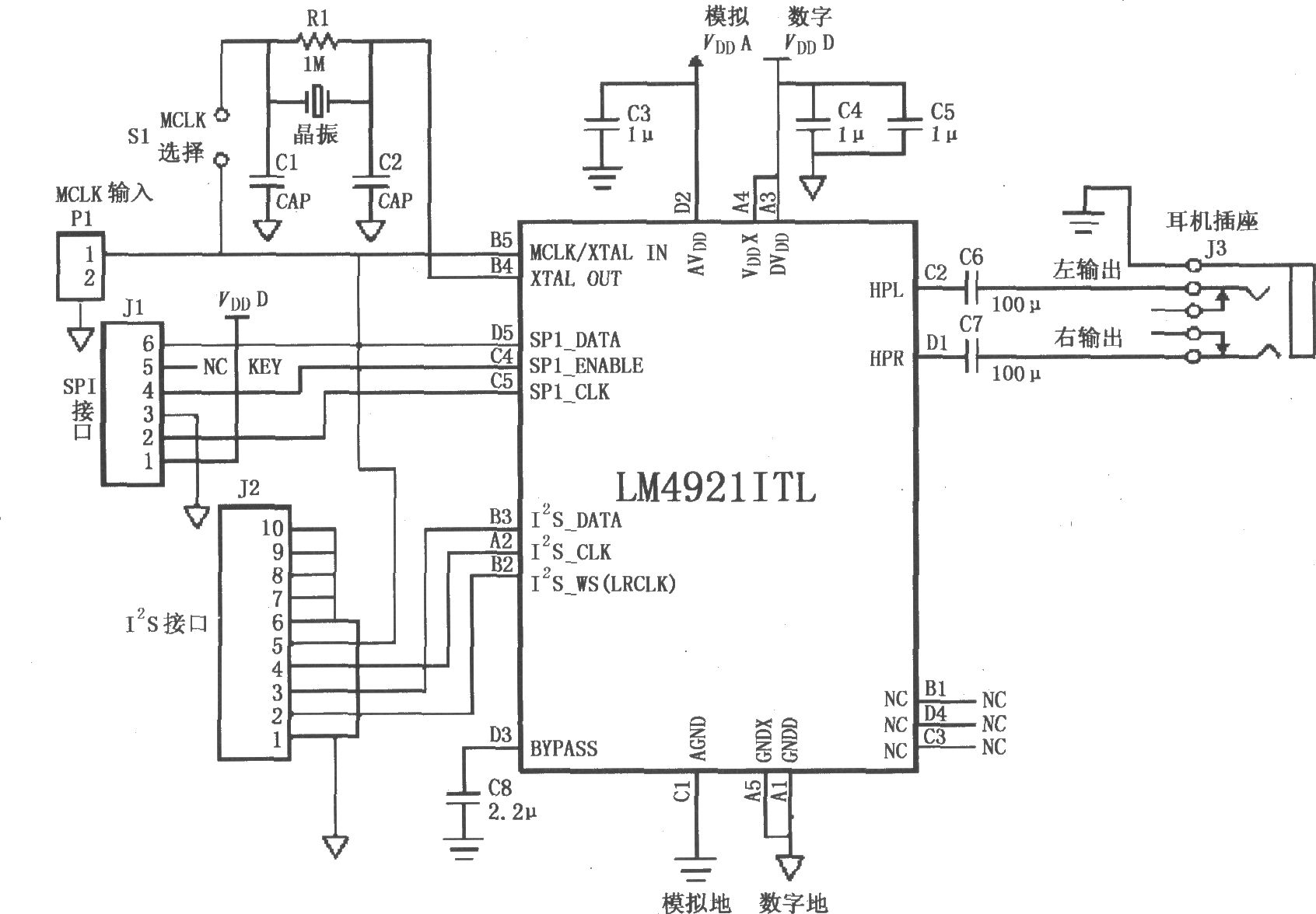
如图所示为LM4921用于双声道耳机放大器的典型电路。由SPI接口总线J1输入控制线信号:串行数据信号SPI- DATA,串行使能信号SPI-ENABLE,串行时钟信号SPI-CLK。由I2S接口总线J2输入全范围的串行数字音频信号:I2S数据信号I2S-DATA,I2S时钟信号I2S-CLK。I2S字选信号I2S-WS(又称Right/Left Select)。由P1输入MCLK信号:当S1断开时选择外部主时钟MCLK输入;当 S1短接时选择内部晶振(11.2896MHz)。立体声耳机输出由J3输出,采用100μF电容作为隔直流电容,以防止输出直流电流损坏耳机。LM4921的模拟电源与数字电源分别独立。
